logo

Crowdly

Browser

Add to Chrome

ECE212s (UG2023) - Introduction to Electronics (39309)

Looking for ECE212s (UG2023) - Introduction to Electronics (39309) test answers and solutions? Browse our comprehensive collection of verified answers for ECE212s (UG2023) - Introduction to Electronics (39309) at lms.eng.asu.edu.eg.

Get instant access to accurate answers and detailed explanations for your course questions. Our community-driven platform helps students succeed!

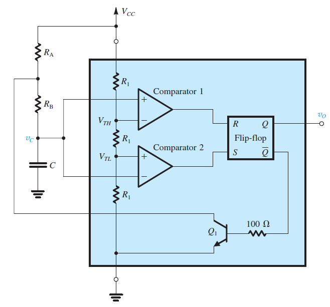
If Vcc = 6 V and VBEon = 0.7, the maximum base current flowing in Q1 is ..... mA.

View this question

If RA = {RA} kOhm, RB = 9.1 kOhm, C = 9.1 nF, the output is at the low state each cycle for a time equal to ..... us.

View this question
Assume the op-amp is powered by +10/-10 V supply. If R1 = 6.2 kOhm and R2 = 5 kOhm, then the maximum voltage across the capacitor is ..... V.

View this question

Assume the op-amp is powered by +10/-10 V supply. If R1 = 4.7 kOhm and R2 = 3.9 kOhm, then Vo flips from -10 to 10 when Vi is less than ..... V.

View this question

Assume the op-amp is powered by +10/-10 V supply. If R1 = 4.1 kOhm and R2 = 6 kOhm, then Vo flips from 10 to -10 when Vi is larger than ..... V.

View this question

If RA = 7.6 kOhm, RB = 1.8 kOhm, C = 5.4 nF, the output square wave frequency is equal to ..... kHz.

View this question

If Vcc = 10 V and VBEon = 0.7, the maximum base current flowing in Q1 is ..... mA.

View this question

If RA = 7.4 kOhm, RB = 7.1 kOhm, C = 7.4 nF, the output square wave frequency is equal to ..... kHz.

View this question

Assume the op-amp is powered by +10/-10 V supply. If R1 = 5.7 kOhm and R2 = 1.1 kOhm, then Vo flips from -10 to 10 when Vi is less than ..... V.

View this question
Assume the op-amp is powered by +10/-10 V supply. If R1 = 1.8 kOhm and R2 = 7.4 kOhm, then the maximum voltage across the capacitor is ..... V.

View this question

Want instant access to all verified answers on lms.eng.asu.edu.eg?

Get Unlimited Answers To Exam Questions - Install Crowdly Extension Now!

Browser

Add to Chrome