logo

Crowdly

Browser

Add to Chrome

Технічна механіка. Теоретична та прикладна механіка (екзаменаційний тест 2025)

Looking for Технічна механіка. Теоретична та прикладна механіка (екзаменаційний тест 2025) test answers and solutions? Browse our comprehensive collection of verified answers for Технічна механіка. Теоретична та прикладна механіка (екзаменаційний тест 2025) at mdl.ksma.ks.ua.

Get instant access to accurate answers and detailed explanations for your course questions. Our community-driven platform helps students succeed!

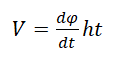
Яка з наведених

формул вірно визначає лінійну швидкість точки при

обертальному русі тіла?

View this question

Дайте правильне формулювання ІІ-го закону Ньютона (основного закону

механіки; закону сили). Швидкість зміни кількості руху матеріальної точки

дорівнює силі, що діє на точку і спрямована …

0%
0%
0%
0%
0%
View this question

View this question

Який рух здійснює тверде тіло, якщо миттєвий центр швидкостей

знаходиться у нескінченності?

0%
0%
0%
View this question

За заданими умовами схеми

визначити частоту обертання на вихідними валу n

5.

0%
0%
0%
0%
0%
0%
View this question

Як

розташовані осі черв’ячного колеса та черв’яка у черв

ячній передачі?

0%
0%
0%
0%
View this question

Вкажіть правильний вираз, за яким можна визначити величину ваги тіла P

View this question

Визначити крутний момент на вихідному валу редуктора,

якщо відомо:  z

= 18;  z= 72;  zч = 2;  zк = 54, а крутний момент на вхідному валу Т1

=

40

Н·м.

View this question

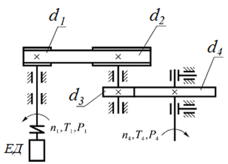
Яку величину моменту на валу Т1

розвиває двигун, якщо момент на вихідному валу Т

4  становить 1,6 кН·м, d1

= 50

мм;  

d2= 140 мм;   d3

= 70

мм;  

d4= 210 мм?

0%
0%
0%
0%
0%
View this question

Як рухається точка, якщо дотичне (тангенціальне) і нормальне прискорення

дорівнюють нулю?

View this question

Want instant access to all verified answers on mdl.ksma.ks.ua?

Get Unlimited Answers To Exam Questions - Install Crowdly Extension Now!

Browser

Add to Chrome