logo

Crowdly

Browser

Add to Chrome

Instrumentação e Medição

Looking for Instrumentação e Medição test answers and solutions? Browse our comprehensive collection of verified answers for Instrumentação e Medição at moodle2425.up.pt.

Get instant access to accurate answers and detailed explanations for your course questions. Our community-driven platform helps students succeed!

The measurement system depicted in the figure below consists of a resistive Wheatstone bridge excited by a dc current. To establish the excitation current in this configuration, a zener diode is employed, with . The zener is considered here as an ideal device, operating in regulation with a current through its terminals of 5.3 mA.

Measurement circuit

Assume , , , . In the Wheatstone bridge consider and  mΩ/Ω.

Determine the common-voltage at the bridge output (i.e., the common-mode voltage of and ).

View this question

Consider the following circuit where the node represents the low-impedance output of a sensor, with a linear operating range of .

Amplification circuit

The requirement is to convert this input voltage range to an output voltage range of . Determine the most suitable value for the Zener voltage.

View this question

Consider a regulated voltage output, which needs to be checked. Three dc digital bench voltmeters (DVM) are available (red DVM-1, green DVM-2, and blue DVM-3). Find which one provides the best measurement uncertainty, i.e. in the reading result , and provide the value of the uncertainty found only for that DVM.

DVMs

The first DVM provided the reading , whereas the second shown , and finally, the third gave .

The accuracy performance is summarized below.

DVM-1DVM-2DVM-3
display: 3 display: 3 display: 3
rangeaccuracyrangeaccuracyrangeaccuracy
400 mV0.5 % + 4 LSD500 mV0.6 % + 5 LSD600 mV0.1 % + 5 LSD
4 V0.6 % + 4 LSD5 V0.7 % + 5 LSD6 V0.3 % + 4 LSD
40 V0.7 % + 2 LSD50 V0.7 % + 4 LSD60 V0.3 % + 3 LSD
View this question

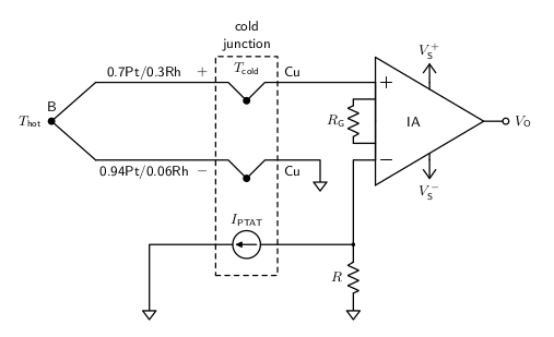
The circuit shown in figure employs a type-B thermocouple with Seebeck coefficient , applied in a glass production system for measuring furnace temperatures during glass melting and forming processes.

To compensate the cold junction, an integrated analog circuit is used, providing a proportional-to-absolute temperature (PTAT) current given by , where is the temperature in °C, , and .

Circuit

What is the value of that compensates the cold junction?

View this question

Consider the following circuit in which the thermistor NTC has at and .

Thermistor circuit

Determine the output voltage when the temperature is .

View this question

The Wien bridge shown in the figure is used as a null frequency detector when driven by an ac voltage.

Wien bridge circuit

Adjusting and , there is a null detection observed when and .

The standard capacitors (fixed-value) are , and .

Determine the detected null frequency.

View this question

The universal digital counter, with the simplified diagram representation shown below, is operating as a frequency meter. The oscilator frequency is and the decade divider provides the time-base selection of frequency signals , .

Universal digital counter diagram

Assuming an input signal with frequency , what is the number of pulses obtained by the decade counter when the most adequate time base has been chosen?

View this question

Consider the following digital-to-analog converter (DAC), which uses a 3-bit word () to control which of the switches turns on (’1’ means closed) while all the others are kept turned off (’0’ means opened). For this end, it uses a decoder that converts each input to a 8-bit word () by means of one-hot encoding (only a single bit is ’1’).

DAC circuit

Assuming the reference voltage , what is the analog output voltage for a binary input 101.

View this question

Consider a bits bipolar ADC (rail-to-rail, ) in which the measured signal to noise-and-distorion ratio (SINAD) is for an input signal , where is much lower than the sampling frequency (the RC filter does not affect the signal, it only removes high-frequency noise) and .

ADC circuit

Determine the effective number of bits (ENOB) of the ADC.

View this question

In the following analog-to-digital converter (ADC), employing a half-flash architecture, consider , , and uniform mid-rise quantizers in the flash ADCs.

Half-flash circuit

Obtain the analog voltage at the output of the residue amplifier, indicated as in the figure.

View this question

Want instant access to all verified answers on moodle2425.up.pt?

Get Unlimited Answers To Exam Questions - Install Crowdly Extension Now!

Browser

Add to Chrome