logo

Crowdly

Browser

Add to Chrome

Controlo

Looking for Controlo test answers and solutions? Browse our comprehensive collection of verified answers for Controlo at moodle2425.up.pt.

Get instant access to accurate answers and detailed explanations for your course questions. Our community-driven platform helps students succeed!

Considere o enunciado da pergunta anterior, com e . Determine .

View this question

Um sistema de primeira ordem, cuja função de transferência é , tem a seguinte resposta ao degrau unitário, com e .

Determine .

View this question

Considere o enunciado da pergunta anterior (). Calcule (com 3 algarismos significativos).

View this question

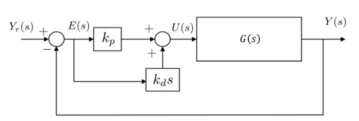
Considere o seguinte sistema realimentado com . Pretende-se dimensionar um controlador PD (com ganhos proporcional e derivativo ) que coloque ambos os pólos de malha fechada em .

Determine   com 3 algarismos significativos.

View this question

A equação dada:

representa a relação entre o ângulo e o binário , num sistema constituído por um braço robótico com um único segmento articulado (ver figura), com input e output .

Braço robótico

Para , quais dos seguintes valores de  satisfazem as condições de equilíbrio?

0%
0%
0%
0%
0%
View this question

O sistema representado na figura seguinte, apresenta um erro em regime

permanente

na resposta a uma rampa unitária.

Então

0%
0%
0%
View this question

Um sistema, estável, com função de transferência 

 

tem uma

resposta ao degrau com sobre-elongação máxima

%. Determine .

View this question

Considere o enunciado da pergunta anterior. Sabendo que a resposta em regime permanente tende

para

. Calcule o valor de

correspondente à sobre elevação máxima

% (indique o

resultado com 3 algarismos significativos).

View this question

Um sistema de primeira ordem, cuja função de transferência é , tem a seguinte resposta ao degrau unitário, com e .

Determine .

View this question

Considere o enunciado da pergunta anterior, com e . Determine .

View this question

Want instant access to all verified answers on moodle2425.up.pt?

Get Unlimited Answers To Exam Questions - Install Crowdly Extension Now!

Browser

Add to Chrome