logo

Crowdly

Browser

Add to Chrome

Електричні системи та мережі / Electrical systems and networks

Looking for Електричні системи та мережі / Electrical systems and networks test answers and solutions? Browse our comprehensive collection of verified answers for Електричні системи та мережі / Electrical systems and networks at moodle.chnu.edu.ua.

Get instant access to accurate answers and detailed explanations for your course questions. Our community-driven platform helps students succeed!

Перерви у електропостачанні енергією споживачів 3-ї

категорії допускається на час

0%
0%
0%
View this question

При

аварійному

перехідному

режимі

0%
0%
0%
100%
View this question

Перерви у електропостачанні енергією споживачів 1-ї

категорії допускається на час

0%
0%
100%
View this question
Який спосіб прокладання кабелів зображено на рисунку 
0%
0%
0%
100%
0%
View this question
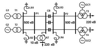
Який тип схеми електричної мережі представлено на рисунку:  
0%
0%
0%
0%
View this question

Want instant access to all verified answers on moodle.chnu.edu.ua?

Get Unlimited Answers To Exam Questions - Install Crowdly Extension Now!

Browser

Add to Chrome