logo

Crowdly

Browser

Add to Chrome

Електричні системи та мережі / Electrical systems and networks

Looking for Електричні системи та мережі / Electrical systems and networks test answers and solutions? Browse our comprehensive collection of verified answers for Електричні системи та мережі / Electrical systems and networks at moodle.chnu.edu.ua.

Get instant access to accurate answers and detailed explanations for your course questions. Our community-driven platform helps students succeed!

Якщо при зміні навантаження регулятор, що змінює впускання енергоносія в турбіну, відновлює частоту в електроенергетичній системі до значення близького до номінального, то таке регулювання називається:
0%
0%
0%
0%
View this question

Занулення – це

0%
0%
View this question
Який спосіб прокладання кабелів зображено на рисунку 
0%
0%
0%
0%
0%
View this question
Який режим роботи електричної мережі називають післяаварійним:
0%
0%
0%
0%
View this question

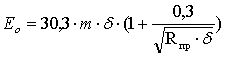
Початкова напруга (при хорошій погоді), при якій

виникає загальна корона, розраховується за формулою Піка:

0%
0%
0%
View this question
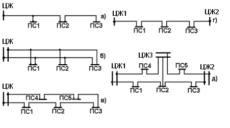
Який тип схеми районних розподільчих мереж представлено на рисунку під літерою г)  
0%
0%
0%
0%
0%
View this question
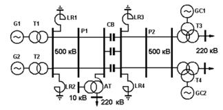
Принципова схема якої лінії електропередачі наведена на рисунку:
0%
0%
0%
0%
View this question

Для розподілу електричної енергії у містах,

сільській місцевості та на промислових підприємствах використовують переважно

мережі з напругою

0%
0%
0%
0%
0%
View this question

Реактивний опір трансформатора ( 1000 кВА і більше) обраховується

0%
0%
View this question

На малюнку зображено схему заміщення ліній електропередач 

0%
0%
0%
100%
0%
View this question

Want instant access to all verified answers on moodle.chnu.edu.ua?

Get Unlimited Answers To Exam Questions - Install Crowdly Extension Now!

Browser

Add to Chrome