logo

Crowdly

Browser

Add to Chrome

0162 -Programació de Sistemes automàtics

Looking for 0162 -Programació de Sistemes automàtics test answers and solutions? Browse our comprehensive collection of verified answers for 0162 -Programació de Sistemes automàtics at moodle.escoladeltreball.org.

Get instant access to accurate answers and detailed explanations for your course questions. Our community-driven platform helps students succeed!

Quin cilindre és la de la figura?  

0%
0%
0%
100%
View this question

Si el manòmetre del taller de pneumàtica mesura 4 Bar de pressió. Voldrà dir que tenim una pressió absoluta de:

0%
0%
0%
0%
View this question

La pressió que s’utilitza en pneumàtica i que mesuren els manòmetres, se li diu/en...

0%
0%
0%
0%
View this question

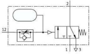
El següent símbol indica…

0%
0%
0%
0%
View this question

Determina la fuerza que ejerce un cilindro de doble efecto en avances y el diámetro interior del cilindro es de 79mm (D). La presión es de 5 bar.

 

Image failed to load: Arrow Clipart

View this question

Determina la fuerza que ejerce un cilindro de doble efecto en retorno si el diámetro interior del cilindro es de 79mm (D) y el vástago es de 11 mm (d). La presión es de 5 bar.

View this question

 Un cilindro de simple efecto es alimentado por aire comprimido a una presión de 7 bar, el muelle ejerce una fuerza de 45 N, el diámetro del émbolo es de D=108 mm. Calcula:

  1. Calcula la fuerza sin considerar el muelle

View this question

 Un cilindro de simple efecto es alimentado por aire comprimido a una presión de 7 bar, el muelle ejerce una fuerza de 45 N, el diámetro del émbolo es de D=108 mm. Calcula:

  1. Calcula la fuerza real considerando el muelle

View this question

 Un cilindro de simple efecto es alimentado por aire comprimido a una presión de 7 bar, el muelle ejerce una fuerza de 45 N, el diámetro del émbolo es de D=108 mm. Calcula:

  1. Calcula els kg que pot aixecar el cilindre

View this question

Quants MPa són 8,1 bars.

View this question

Want instant access to all verified answers on moodle.escoladeltreball.org?

Get Unlimited Answers To Exam Questions - Install Crowdly Extension Now!

Browser

Add to Chrome