logo

Crowdly

Browser

Add to Chrome

0162 -Programació de Sistemes automàtics

Looking for 0162 -Programació de Sistemes automàtics test answers and solutions? Browse our comprehensive collection of verified answers for 0162 -Programació de Sistemes automàtics at moodle.escoladeltreball.org.

Get instant access to accurate answers and detailed explanations for your course questions. Our community-driven platform helps students succeed!

Quina F1 hem de fer  si volem aixecar un cotxe de F21867 N

A1=50  cm2

A2=466  cm2

View this question

Identifica les parts de la unitat de manteniment.

View this question

Identifica les parts de la unitat de manteniment.

View this question

Identifica les parts de la unitat de manteniment.

View this question

Quina mena d'impureses hi sol haver a l'aire i què s'aconsegueix en filtrar?

View this question

Identifica les parts de la unitat de manteniment.

View this question

Tipus de compressors d'aire

View this question
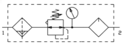
Identifica els símbols.

View this question
1: Quin tipus de cilindre es mostra a la imatge?

0%
0%
0%
0%
0%
0%
View this question

Observa la imagen . ¿De qué válvula se trata?

100%
0%
0%
0%
0%
0%
0%
0%
View this question

Want instant access to all verified answers on moodle.escoladeltreball.org?

Get Unlimited Answers To Exam Questions - Install Crowdly Extension Now!

Browser

Add to Chrome