logo

Crowdly

Browser

Add to Chrome

Analóg áramkörök (11.B_ELT)

Looking for Analóg áramkörök (11.B_ELT) test answers and solutions? Browse our comprehensive collection of verified answers for Analóg áramkörök (11.B_ELT) at moodle.jrobi.hu.

Get instant access to accurate answers and detailed explanations for your course questions. Our community-driven platform helps students succeed!

Számítsa ki az alábbi ábrán lévő kapcsolásban a munkapont beállító ellenállás értékét 19,8 mA munkaponti áramra, a következő adatok mellett: U = 12,6 V, a LED nyitófeszültsége: Ud = 1,7 V.

View this question
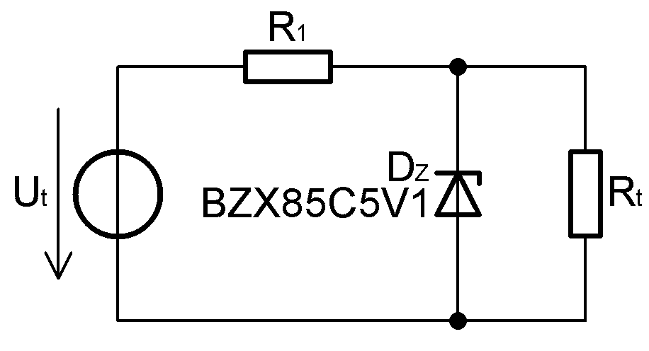
Méretezze az alább látható Zener diódás feszültségstabilizátort! Mekkora a munkapont beállító ellenállás értéke? Ut = 6,9V; UZT = 5,1 V; IZT = 45mA ; Rt = 865,7 Ω.

View this question

Számítsa ki az alábbi ábrán lévő kapcsolásban a munkapont beállító ellenállás értékét 11,9 mA munkaponti áramra, a következő adatok mellett: U = 6,1 V, a LED nyitófeszültsége: Ud = 1,8 V.

View this question

A dióda munkapontja mindig rajta van a dióda karakterisztikáján.

100%
0%
View this question

Mi a folyási szög jele?

0%
0%
0%
0%
0%
View this question

Hibás munkapont beállítás következtében a félvezető eszköz akár tönkre is mehet.

100%
0%
View this question

Párosítsa a munkapontokat a folyási szögek értékeivel!

View this question

Számítsa ki az alábbi ábrán lévő kapcsolásban a munkapont beállító ellenállás értékét 17,9 mA munkaponti áramra, a következő adatok mellett: U = 13,8 V, a LED nyitófeszültsége: Ud = 1,9 V.

View this question

Egy félvezető karakterisztikáján melyik tengelyen mit ábrázolunk?

View this question

Válassza ki, melyik formula írja le helyesen a dióda áramának egyenletét!

0%
0%
0%
0%
0%
View this question

Want instant access to all verified answers on moodle.jrobi.hu?

Get Unlimited Answers To Exam Questions - Install Crowdly Extension Now!

Browser

Add to Chrome