logo

Crowdly

Browser

Add to Chrome

Analóg áramkörök (11.B_ELT)

Looking for Analóg áramkörök (11.B_ELT) test answers and solutions? Browse our comprehensive collection of verified answers for Analóg áramkörök (11.B_ELT) at moodle.jrobi.hu.

Get instant access to accurate answers and detailed explanations for your course questions. Our community-driven platform helps students succeed!

Az adott munkapontokhoz társítsa, hogy a félvezető eszköz a vezérlőjel mely részein vezet!

View this question
A statikus ellenállás munkapont függő jellemző.

0%
0%
View this question
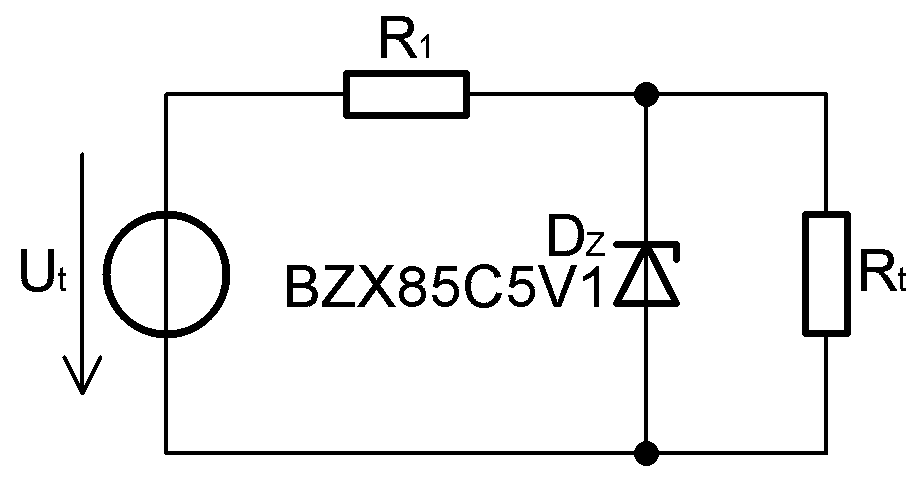
Méretezze az alább látható Zener diódás feszültségstabilizátort! Mekkora a munkapont beállító ellenállás értéke? Ut = 17,5V; UZT = 5,1 V; IZT = 45mA ; Rt = 567,7 Ω.

View this question

Párosítsa a dióda megfelelő szennyezettségű rétegeit a kivezetések elnevezéseivel!

View this question

Egy valóságos dióda karakterisztikája a Shockley egyenlet szerint alakul.

0%
0%
View this question
Válassza ki az igaz állítás(oka)t!

0%
0%
0%
0%
0%
0%
View this question

Egy diódán nyitóirányban az adatlap a kapacitás helyett a kikapcsolási idő (trr) adja meg.

0%
0%
View this question
A dinamikus ellenállás munkaponttól független jellemző.

0%
100%
View this question

Mekkora a termikus potenciál értéke szobahőmérsékleten?

View this question

Milyen osztályban dolgozik egy LED, ha 90%-os fényerővel világít?

0%
0%
0%
0%
View this question

Want instant access to all verified answers on moodle.jrobi.hu?

Get Unlimited Answers To Exam Questions - Install Crowdly Extension Now!

Browser

Add to Chrome