logo

Crowdly

Browser

Add to Chrome

P175B100 Skaitmeninės logikos pradmenys (nuolatinės, LT)

Looking for P175B100 Skaitmeninės logikos pradmenys (nuolatinės, LT) test answers and solutions? Browse our comprehensive collection of verified answers for P175B100 Skaitmeninės logikos pradmenys (nuolatinės, LT) at moodle.ktu.edu.

Get instant access to accurate answers and detailed explanations for your course questions. Our community-driven platform helps students succeed!

Kokio tipo postūmis aprašomas tokia eilute?

View this question

Kaip turi būti užpildyta šį postūmį aprašanti lentelės

eilutė?

0%
0%
0%
0%
View this question

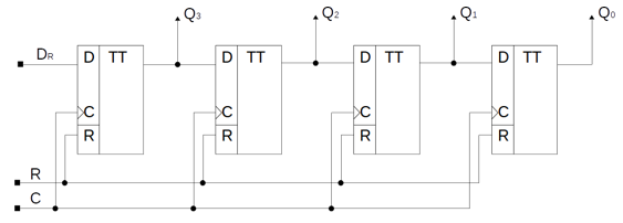
Paveiksle matote registrą (aukščiausia skiltis - Q3, žemiausia - Q0):

Kuris teiginys apie šį registrą yra teisingas?

0%
0%
0%
0%
0%
View this question

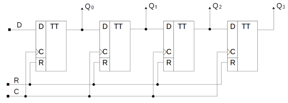
Paveiksle matote registrą (aukščiausia skiltis - Q3, žemiausia - Q0):

Atidžiai įsižiūrėkite į jį ir pažymėkite, kuris teiginys apie šį registrą yra teisingas?

View this question

Dažnio daliklis sudarytas iš dviejų skaitiklių, kurių moduliai lygūs 16  ir  24.  Koks yra maksimalus dalinimo koeficientas?

View this question

Kuris(ie) teiginys(iai) apie jungtinį skaitiklį yra teisingas(i)?

0%
0%
0%
0%
View this question

Kas aprašoma Architecture dalyje?

View this question

Kam naudojamas skaitiklio pernašos signalas?

0%
0%
0%
0%
View this question

Kam skaitiklyje naudojamas Enable signalas?

0%
0%
0%
0%
View this question

Kas aprašoma Entity dalyje?

0%
0%
0%
0%
View this question

Want instant access to all verified answers on moodle.ktu.edu?

Get Unlimited Answers To Exam Questions - Install Crowdly Extension Now!

Browser

Add to Chrome