logo

Crowdly

Browser

Add to Chrome

P175B100 Skaitmeninės logikos pradmenys (nuolatinės, LT)

Looking for P175B100 Skaitmeninės logikos pradmenys (nuolatinės, LT) test answers and solutions? Browse our comprehensive collection of verified answers for P175B100 Skaitmeninės logikos pradmenys (nuolatinės, LT) at moodle.ktu.edu.

Get instant access to accurate answers and detailed explanations for your course questions. Our community-driven platform helps students succeed!

Dažnio daliklis sudarytas iš dviejų skaitiklių, kurių moduliai lygūs 16  ir  24.  Koks yra maksimalus dalinimo koeficientas?

View this question

Turime tokį komponento aprašą:

    component sumatorius

     

port (

a, b, cin:       

in    std_logic;

sum, carry: 

out  std_logic);

    end  component;

Architektūros apraše turime:

sum2: vienskiltis_sumatorius port map (

          a => a_bus(2), b => b_bus(2), cin

=> carry_int(1),

           sum => sum_bus(2), carry =>

carry_int(2));

Ką reiškia užrašas  a => a_bus(2)?

0%
0%
0%
0%
View this question

Ką vadiname skaitiklio moduliu?

View this question

Kaip 8 bitų postūmio registre aprašomas ciklinis postūmis į kairę?

0%
0%
0%
0%
View this question

Kaip 8 bitų postūmio registre aprašomas loginis postūmis į dešinę?

View this question

Kaip 8 bitų postūmio registre aprašomas aritmetinis postūmis į dešinę (papildomajame kode)?

0%
0%
0%
0%
View this question

Kaip 8 bitų postūmio registre aprašomas aritmetinis postūmis į dešinę (tiesioginiame kode)?

View this question

Kaip 8 bitų postūmio registre aprašomas aritmetinis postūmis į kairę (atvirkštiniame kode)?

0%
0%
0%
View this question

Kaip 8 bitų postūmio registre aprašomas aritmetinis postūmis į dešinę (atvirkštiniame kode)?

0%
0%
0%
0%
View this question

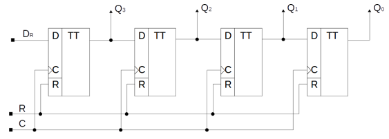
Paveiksle matote registrą (aukščiausia skiltis - Q3, žemiausia - Q0):

Kuris teiginys apie šį registrą yra teisingas?

0%
0%
0%
0%
0%
View this question

Want instant access to all verified answers on moodle.ktu.edu?

Get Unlimited Answers To Exam Questions - Install Crowdly Extension Now!

Browser

Add to Chrome