logo

Crowdly

Browser

Add to Chrome

P175B100 Skaitmeninės logikos pradmenys (nuolatinės, LT)

Looking for P175B100 Skaitmeninės logikos pradmenys (nuolatinės, LT) test answers and solutions? Browse our comprehensive collection of verified answers for P175B100 Skaitmeninės logikos pradmenys (nuolatinės, LT) at moodle.ktu.edu.

Get instant access to accurate answers and detailed explanations for your course questions. Our community-driven platform helps students succeed!

Kuriame kode taip užrašomos aritmetinio postūmio taisyklės?

Skaičius

Į atsilaisvinančią skiltį įrašomas

stumiant į

dešinę

stumiant į

kairę

teigiamas

0

0

neigiamas

1

1

0%
0%
0%
0%
View this question

Nuo ko priklauso, kurias postūmio operacijas gali atlikti registras?

0%
0%
0%
0%
View this question

Kuriame kode taip užrašomos aritmetinio postūmio taisyklės?

Skaičius

Į atsilaisvinančią skiltį įrašomas

stumiant į

dešinę

stumiant į

kairę

teigiamas

0

0

neigiamas

0

0

0%
0%
0%
0%
View this question

Ar galima į registrą įrašyti informacją nuosekliu kodu (bitas po bito)?

0%
0%
View this question

Kurias operacijas gali atlikti registrai?

View this question

Turime tokį multiplekserį ir tokią diagramą, panaudotą funkcijai vaizduoti:

                

Kurie kintamieji turi būti paduoti į valdančiąsias įvestis SD1 ir SD2, kad diagramos ketvirčiai nurodytu būdu atitiktų įvestis D0-D3?

0%
0%
0%
0%
View this question

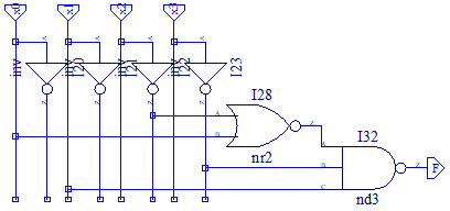
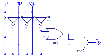
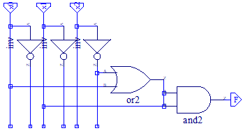
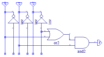
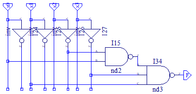
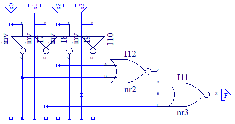
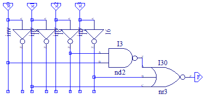
Kuri iš schemų yra sujungta korektiškai?

0%
0%
0%
0%
0%
View this question

Kuri schema atitinka funkciją    , kuriai korektiškai pritaikyta DeMorgano teorema? 

0%
0%
0%
0%
0%
View this question

Duota funkcija 

.

Kuri iš pateiktų išraiškų

gauta teisingai pritaikius DeMorgano teoremą šiai funkcijai?

0%
0%
0%
0%
View this question

Duota

funkcijos 

Karno

diagrama

:

 

Minimizavus šią funkciją, gauta tokia išraiška: 

+ .

Kaip geriausiu būdu pakeisti išraišką, jei žaliai nudažytame langelyje įrašysime "1"?

0%
0%
0%
0%
View this question

Want instant access to all verified answers on moodle.ktu.edu?

Get Unlimited Answers To Exam Questions - Install Crowdly Extension Now!

Browser

Add to Chrome