logo

Crowdly

Browser

Add to Chrome

P175B100 Skaitmeninės logikos pradmenys (nuolatinės, LT)

Looking for P175B100 Skaitmeninės logikos pradmenys (nuolatinės, LT) test answers and solutions? Browse our comprehensive collection of verified answers for P175B100 Skaitmeninės logikos pradmenys (nuolatinės, LT) at moodle.ktu.edu.

Get instant access to accurate answers and detailed explanations for your course questions. Our community-driven platform helps students succeed!

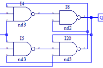
Kuris trigeris pavaizduotas žemiau?

0%
0%
0%
0%
0%
View this question

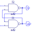
Kuris trigeris pavaizduotas žemiau?

0%
0%
0%
0%
0%
View this question

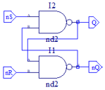
Kuris tai trigeris?

0%
0%
0%
0%
View this question

Kurio trigerio darbas aprašomas tokia lentele?

X

Qt+1

Paaiškinimas

0

0

Loginio nulio įrašymas

1

1

Loginio vieneto įrašymas

0%
0%
0%
0%
View this question

Kodėl šioje trigerio schemoje įvestys inversinės?

View this question

Kurio trigerio darbas aprašomas tokia lentele?

X

Y

Qt+1

Paaiškinimas

0

0

Qt

Informacijos saugojimas

0

1

0

Loginio nulio įrašymas

1

0

1

Loginio vieneto įrašymas

1

1

Image failed to load
t

Priešingos būsenos nustatymas

0%
0%
0%
0%
View this question

Kurio trigerio darbas aprašomas tokia lentele?

X

Y

Qt+1

Paaiškinimas

0

0

Qt

Informacijos saugojimas

0

1

0

Loginio nulio įrašymas

1

0

1

Loginio vieneto įrašymas

1

1

x

Draudžiamoji įvesčių signalų

kombinacija

0%
0%
0%
0%
View this question

Koks yra esminis sinchroninių trigerių skirtumas nuo asinchroninių?

0%
0%
0%
0%
0%
View this question

Kuriame postūmyje į atsilaisvinančias

skiltis įrašoma informacija iš išstumtųjų skilčių

?

0%
0%
0%
0%
View this question

Kuriame kode taip užrašomos aritmetinio postūmio taisyklės?

Skaičius

Į atsilaisvinančią skiltį įrašomas

stumiant į

dešinę

stumiant į

kairę

teigiamas

0

0

neigiamas

1

0

0%
0%
0%
0%
View this question

Want instant access to all verified answers on moodle.ktu.edu?

Get Unlimited Answers To Exam Questions - Install Crowdly Extension Now!

Browser

Add to Chrome