logo

Crowdly

Browser

Add to Chrome

CC - P1 - Promo 2029

Looking for CC - P1 - Promo 2029 test answers and solutions? Browse our comprehensive collection of verified answers for CC - P1 - Promo 2029 at moodle.myefrei.fr.

Get instant access to accurate answers and detailed explanations for your course questions. Our community-driven platform helps students succeed!

la valeur de est:

View this question

Soit la série de terme général

0%
0%
View this question

Soit la série de terme général tel que pour tout entier , .

0%
0%
0%
View this question

quelle est la valeur  de ?

View this question

Soit la série de terme général . Si en :

0%
0%
0%
View this question

Par le critère de Cauchy on peut déduire la nature de la

série de terme général

View this question

Soit la série de terme général .

View this question

Cette question permet de tester l'affichage en langage mathématique d'un vecteur : .

Vous devriez voir cela .

Si vous voyez, essayez avec un autre navigateur.

0%
0%
0%
View this question

Code à observer

100%
0%
View this question

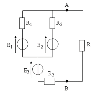
La résistance vaut:

0%
0%
0%
View this question

Want instant access to all verified answers on moodle.myefrei.fr?

Get Unlimited Answers To Exam Questions - Install Crowdly Extension Now!

Browser

Add to Chrome