logo

Crowdly

Browser

Add to Chrome

CC - P1 - Promo 2029

Looking for CC - P1 - Promo 2029 test answers and solutions? Browse our comprehensive collection of verified answers for CC - P1 - Promo 2029 at moodle.myefrei.fr.

Get instant access to accurate answers and detailed explanations for your course questions. Our community-driven platform helps students succeed!

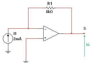
Calculer la tension de sortie du montage suivant :

Donner la valeur en Volt, sans l'unité.

View this question

Sachant que R1 = R3 = 20 k, R2 = 50 ket R4 = 40 k. Calculez l'amplification de tension du circuit Av :

Donner la valeur avec 2 chiffres après la virgule

View this question
Quelle est l'impédance d'entrée du montage suiveur suivant ?

Donner la valeur en Ohm, sans l'unité.

View this question

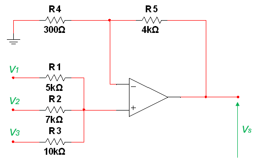
Sachant que V1=2V, V2=4V et V3=6V, calculer Vs.

Donner la valeur en Volt, avec 2 chiffres après la virgule, sans l'unité.

View this question

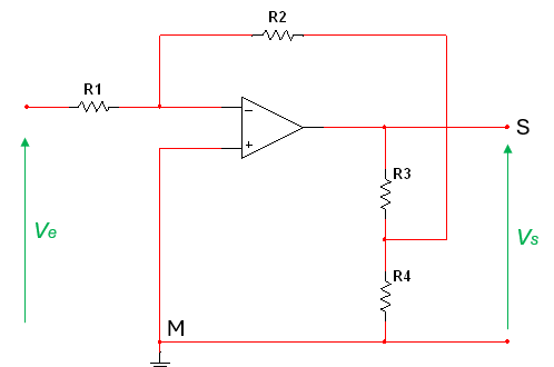
Sachant que Ve=5V. Calculer Vs de ce montage.

Donner la valeur en Volt sans l'unité.

View this question
The electronic configuration of Phosphorus (Z = 15) is:
0%
100%
0%
0%
0%
View this question
In pure Silicon (undoped) :
View this question
When one dope Silicon with Boron,
0%
0%
0%
0%
View this question

One wants to n-dope Silicon.

What type of atom should be selected for doping?

0%
0%
0%
0%
0%
View this question

Soumis

à une différence de potentiel, les trous se déplacent spontanément :

View this question

Want instant access to all verified answers on moodle.myefrei.fr?

Get Unlimited Answers To Exam Questions - Install Crowdly Extension Now!

Browser

Add to Chrome