logo

Crowdly

Browser

Add to Chrome

CC - P1 - Promo 2029

Looking for CC - P1 - Promo 2029 test answers and solutions? Browse our comprehensive collection of verified answers for CC - P1 - Promo 2029 at moodle.myefrei.fr.

Get instant access to accurate answers and detailed explanations for your course questions. Our community-driven platform helps students succeed!

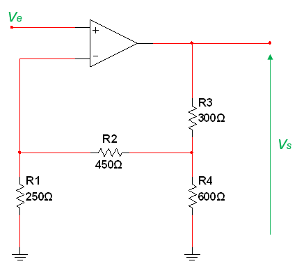
L'expression de v+ (l'entrée non inverseuse de l'AOP) est donnée par :

Donner l'expression sous cette forme : nombre Ve + nombre Vs

Les espaces doivent être respectés et le nombre doit être donné avec 2 chiffres après la virgule.

View this question

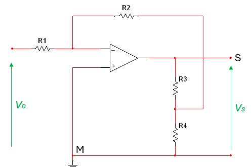
Knowing that R1 = R3 = 30 k, R2 = 100 k and R4 = 1 k. Calculate the input impedance Ze :

Give the values in k, without the unit.

View this question

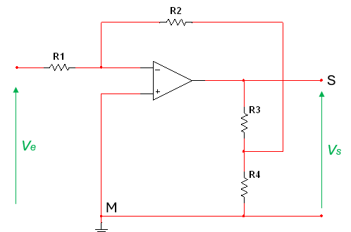
Le gain de l'ampli-op suivant est de :

Donner la valeur avec un chiffre après la virgule.

View this question

When two sinusoidal signals with the same frequency but a phase difference of  are plotted using the Lissajous method, what type of pattern will be observed?

View this question

Le

gain de l’ampli-op suivant est :

View this question

L'expression de v+ (l'entrée non inverseuse de l'AOP) est donnée par :

Donner l'expression sous cette forme : nombre Ve + nombre Vs

Les espaces doivent être respectés et le nombre doit être donné avec 2 chiffres après la virgule.

View this question

Dans l'étage d'amplification à gain élevé, quel type de composant est souvent utilisé pour maximiser l'amplification tout en maintenant la linéarité du système ?

0%
0%
0%
0%
0%
View this question

The gain of the following op-amp is:

Give the value with 1 decimal digit.

View this question

Sachant que R1 = R3 = 30 k, R2 = 100 k et R4 = 1 k. Calculer l'impédance d'entrée Ze :

Donner les valeurs en k, sans l'unité.

View this question

Quel est le rôle principal d'un quadripôle générateur dans un circuit ?

View this question

Want instant access to all verified answers on moodle.myefrei.fr?

Get Unlimited Answers To Exam Questions - Install Crowdly Extension Now!

Browser

Add to Chrome