logo

Crowdly

Browser

Add to Chrome

CC - P1 - Promo 2029

Looking for CC - P1 - Promo 2029 test answers and solutions? Browse our comprehensive collection of verified answers for CC - P1 - Promo 2029 at moodle.myefrei.fr.

Get instant access to accurate answers and detailed explanations for your course questions. Our community-driven platform helps students succeed!

Which type of feedback is used to stabilize the gain of an op-amp?

0%
0%
0%
0%
0%
View this question

Sachant que R1 = R3 = 30 k, R2 = 100 k et R4 = 1 k. Calculer l'impédance d'entrée Ze :

Donner les valeurs en k, sans l'unité.

View this question

The gain of the following op-amp is:

View this question

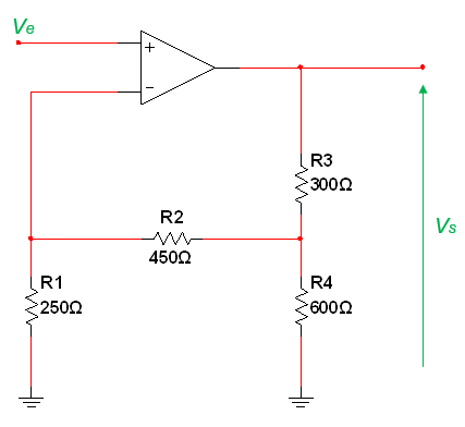
Le gain de l'ampli-op suivant est de :

Donner la valeur avec un chiffre après la virgule.

View this question

The expression for v+ (the OA's non-inverting input) is given by :

Give the expression in this format : number Ve + number Vs

You must respect the spaces and the number must be given with 2 decimal digits

View this question

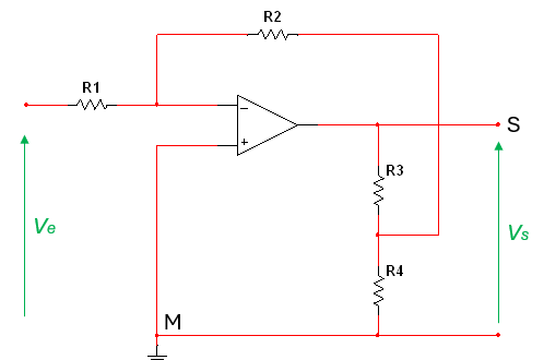
L'expression de v+ (l'entrée non inverseuse de l'AOP) est donnée par :

Donner l'expression sous cette forme : nombre Ve + nombre Vs

Les espaces doivent être respectés et le nombre doit être donné avec 2 chiffres après la virgule.

View this question

In the high-gain amplifier stage, what type of component is often used to maximize amplification while maintaining system linearity?

0%
View this question

Le gain de l'ampli-op suivant est de :

Donner la valeur avec un chiffre après la virgule.

View this question
Lorsque deux signaux sinusoïdaux ayant la même fréquence mais une différence de phase de sont tracés à l'aide de la méthode de Lissajous, quel type de motif sera observé ?

33%
33%
View this question

Le

gain de l’ampli-op suivant est :

View this question

Want instant access to all verified answers on moodle.myefrei.fr?

Get Unlimited Answers To Exam Questions - Install Crowdly Extension Now!

Browser

Add to Chrome