logo

Crowdly

Browser

Add to Chrome

CC - P1 - Promo 2029

Looking for CC - P1 - Promo 2029 test answers and solutions? Browse our comprehensive collection of verified answers for CC - P1 - Promo 2029 at moodle.myefrei.fr.

Get instant access to accurate answers and detailed explanations for your course questions. Our community-driven platform helps students succeed!

Among the following matrices, only one is invertible. Which one?

0%
0%
0%
0%
0%
0%
View this question

On considère les matrices suivantes :

et .

Donner la valeur du coefficient à la troisième ligne, deuxième colonne du produit .

View this question

Donner la valeur du déterminant suivant

View this question

Parmi les matrices suivantes, seulement une est inversible. Laquelle?

0%
0%
0%
0%
0%
0%
View this question

Consider the following matrices:

and .

Give the value of the coefficient at the third row, second column of the product .

View this question

On considère l'application linéaire définie par la matrice

.

On note une base de et une base de

Parmi les options suivantes, une seule est correcte. Laquelle ?

0%
0%
0%
0%
View this question

Sachant que est une matrice carrée de taille et que , combien vaut ?

View this question

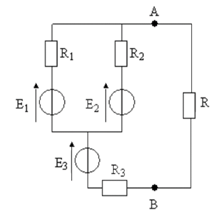
La résistance vaut:

0%
0%
100%
View this question

Code à observer

0%
0%
View this question

Cette question permet de tester l'affichage en langage mathématique d'un vecteur : .

Vous devriez voir cela .

Si vous voyez, essayez avec un autre navigateur.

0%
0%
100%
View this question

Want instant access to all verified answers on moodle.myefrei.fr?

Get Unlimited Answers To Exam Questions - Install Crowdly Extension Now!

Browser

Add to Chrome