logo

Crowdly

Browser

Add to Chrome

CC - P1 - Promo 2029

Looking for CC - P1 - Promo 2029 test answers and solutions? Browse our comprehensive collection of verified answers for CC - P1 - Promo 2029 at moodle.myefrei.fr.

Get instant access to accurate answers and detailed explanations for your course questions. Our community-driven platform helps students succeed!

Pour un circuit RLC en série utilisé comme filtre passe-bande, calculer le facteur de qualité 𝑄 si 𝑅 = 906,7 Ω, 𝐿 = 353,8 𝐻, et 𝐶 = 0,56978 𝐹.

Donner la valeur avec 3 chiffres après la virgule.

View this question

Étant donné le filtre RC suivant avec 𝑅1 = 906,7 Ω et C1

= 0,56978 F. 

Calculer la fréquence de coupure fc.

Donner la valeur en Hz avec 5 chiffres après la virgule,

sans l'unité.

View this question

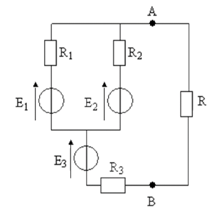
La résistance vaut:

0%
0%
0%
View this question

Cette question permet de tester l'affichage en langage mathématique d'un vecteur : .

Vous devriez voir cela .

Si vous voyez, essayez avec un autre navigateur.

0%
100%
0%
View this question

Code à observer

0%
0%
View this question

La résistance vaut:

0%
0%
0%
View this question

Étant

donné le filtre RL suivant avec 𝑅 = 603,4 Ω et L = 589 H. 

Calculer la fréquence de coupure fc.

Donner la valeur en Hz avec 2 chiffres après la virgule, sans l'unité.

View this question

Among the following subsets, only one is a vector subspace. Which one?

View this question

Among the following families, only one is a spanning set of . Which one?

0%
0%
0%
0%
View this question

Among the following families of vectors of , only one is a linearly independent set. Which one?

0%
0%
0%
0%
View this question

Want instant access to all verified answers on moodle.myefrei.fr?

Get Unlimited Answers To Exam Questions - Install Crowdly Extension Now!

Browser

Add to Chrome