logo

Crowdly

Browser

Add to Chrome

SAP - Autorevision test S2

Looking for SAP - Autorevision test S2 test answers and solutions? Browse our comprehensive collection of verified answers for SAP - Autorevision test S2 at moodle.myefrei.fr.

Get instant access to accurate answers and detailed explanations for your course questions. Our community-driven platform helps students succeed!

La fréquence de résonance f0 dans un circuit RLC est donnée par :

0%
0%
0%
0%
0%
View this question

La réactance d'une inductance à fréquence nulle est :

0%
0%
0%
0%
View this question

Si la capacité du condensateur d'un filtre passe-haut RLC est divisée par deux, comment la fréquence de coupure change-t-elle ?

0%
0%
0%
0%
0%
View this question
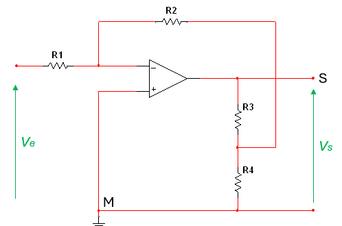
Description du circuit : Le circuit est alimenté par une tension d'entrée Ve, appliquée à une résistance R1, qui est reliée à l'entrée inverseuse de l'AOP. Une autre résistance R2 est connectée entre la sortie de l'AOP et cette même entrée inverseuse, formant une boucle de rétroaction qui détermine le gain de l’amplification. L’entrée  non inverseuse de l’AOP est reliée directement à la masse. La sortie de l’AOP, qui fournit une tension amplifiée Vs​, est connectée à R3 et R4. Ces résistances sont connectées en série : R3 est reliée à la sortie de l’AOP, tandis que R4 est reliée à la masse. Une connexion supplémentaire existe entre la résistance R2 et le point intermédiaire entre R3 et R4.

Question : Sachant que R1 = R3 = 10 k, R2 = 100 k et R4 = 1 k. Calculer l'impédance d'entrée Ze :

Donner les valeurs en k, sans l'unité.

View this question

Dans un filtre passif passe-bas du deuxième ordre, quel est le déphasage à très haute fréquence ?

Donner la valeur en degrés, sans l'unité.

View this question

A second-order notch filter with  f_0 = 10<math xmlns="http://www.w3.org/1998/Math/MathML"><semantics><annotation encoding="application/x-tex">f_0 = 10</annotation></semantics></math>f0​=10 kHz and bandwidth  BW = 500<math xmlns="http://www.w3.org/1998/Math/MathML"><semantics><annotation encoding="application/x-tex">BW = 500</annotation></semantics></math>=500 Hz has a quality factor Q of:

View this question

A second-order RLC band-pass filter has R = 100 L = 100mH<math xmlns="http://www.w3.org/1998/Math/MathML"><semantics><annotation encoding="application/x-tex">L = 100mH</annotation></semantics></math>L = 100mH and C = 5μF. What is its resonant frequency f0<math xmlns="http://www.w3.org/1998/Math/MathML"></math>?

Give the value in Hz with 2 digits after the decimal point, without the unit.

View this question
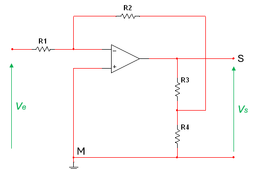
Description du circuit : Le circuit est alimenté par une tension d'entrée Ve, appliquée à une résistance R1, qui est reliée à l'entrée inverseuse de l'AOP. Une autre résistance R2 est connectée entre la sortie de l'AOP et cette même entrée inverseuse, formant une boucle de rétroaction qui détermine le gain de l’amplification. L’entrée  non inverseuse de l’AOP est reliée directement à la masse. La sortie de l’AOP, qui fournit une tension amplifiée Vs​, est connectée à R3 et R4. Ces résistances sont connectées en série : R3 est reliée à la sortie de l’AOP, tandis que R4 est reliée à la masse. Une connexion supplémentaire existe entre la résistance R2 et le point intermédiaire entre R3 et R4.

Question : Sachant que R1 = R3 = 10 k, R2 = 100 k et R4 = 1 k. Calculer l'impédance de sortie Zs :

Donner la valeur en k, sans l'unité.

View this question
Description du circuit : Le circuit est alimenté par une tension d'entrée Ve, appliquée à une résistance R1, qui est reliée à l'entrée inverseuse de l'AOP. Une autre résistance R2 est connectée entre la sortie de l'AOP et cette même entrée inverseuse, formant une boucle de rétroaction qui détermine le gain de l’amplification. L’entrée  non inverseuse de l’AOP est reliée directement à la masse. La sortie de l’AOP, qui fournit une tension amplifiée Vs​, est connectée à R3 et R4. Ces résistances sont connectées en série : R3 est reliée à la sortie de l’AOP, tandis que R4 est reliée à la masse. Une connexion supplémentaire existe entre la résistance R2 et le point intermédiaire entre R3 et R4.

Question : Sachant que R1 = R3 = 10 k, R2 = 100 k et R4 = 1 k. Calculer l'impédance d'entrée Ze :

Donner les valeurs en k, sans l'unité.

View this question

La sortie d'un filtre passe-bas RC est prise à travers le condensateur. À très haute fréquence, qu'arrive-t-il à la sortie ?

0%
0%
0%
0%
0%
View this question

Want instant access to all verified answers on moodle.myefrei.fr?

Get Unlimited Answers To Exam Questions - Install Crowdly Extension Now!

Browser

Add to Chrome