logo

Crowdly

Browser

Add to Chrome

SAP - Autorevision test S2

Looking for SAP - Autorevision test S2 test answers and solutions? Browse our comprehensive collection of verified answers for SAP - Autorevision test S2 at moodle.myefrei.fr.

Get instant access to accurate answers and detailed explanations for your course questions. Our community-driven platform helps students succeed!

Si le courant total dans un circuit parallèle est de 5 A et que les branches transportent 2 A et 3 A, quelle est la tension totale ?

0%
0%
0%
View this question
La fréquence de coupure d'un filtre passe-bas RC du premier ordre est donnée par :

0%
0%
0%
0%
0%
View this question

La fonction d'une résistance et d'un condensateur dans un filtre passe-bas du premier ordre est la suivante :

0%
0%
0%
0%
View this question
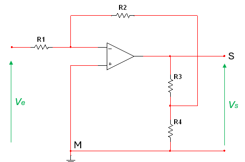
Description du circuit : Le circuit est alimenté par une tension d'entrée Ve, appliquée à une résistance R1, qui est reliée à l'entrée inverseuse de l'AOP. Une autre résistance <math xmlns="http://www.w3.org/1998/Math/MathML"><semantics><annotation encoding="application/x-tex"></annotation></semantics></math>R2 est connectée entre la sortie de l'AOP et cette même entrée inverseuse, formant une boucle de rétroaction qui détermine le gain de l’amplification. L’entrée  non inverseuse de l’AOP est reliée directement à la masse. La sortie de l’AOP, qui fournit une tension amplifiée Vs​, est connectée à <math xmlns="http://www.w3.org/1998/Math/MathML"><semantics><annotation encoding="application/x-tex"></annotation></semantics></math>R3 et <math xmlns="http://www.w3.org/1998/Math/MathML"><semantics><annotation encoding="application/x-tex"></annotation></semantics></math>R4. Ces résistances sont connectées en série : <math xmlns="http://www.w3.org/1998/Math/MathML"><semantics><annotation encoding="application/x-tex"></annotation></semantics></math>R3 est reliée à la sortie de l’AOP, tandis que R4 est reliée à la masse. Une connexion supplémentaire existe entre la résistance <math xmlns="http://www.w3.org/1998/Math/MathML"><semantics><annotation encoding="application/x-tex"></annotation></semantics></math>R2 et le point intermédiaire entre <math xmlns="http://www.w3.org/1998/Math/MathML"><semantics><annotation encoding="application/x-tex"></annotation></semantics></math>R3 et <math xmlns="http://www.w3.org/1998/Math/MathML"><semantics><annotation encoding="application/x-tex"></annotation></semantics></math>R4.

Question : Sachant que R1 = R3 = 10 k, R2 = 100 k et R4 = 1 k. Calculer l'impédance de sortie Zs :

Donner la valeur en k, sans l'unité.

View this question
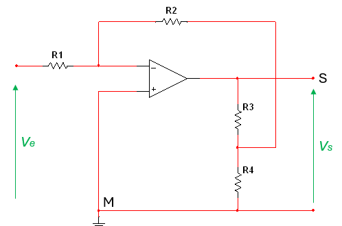
Description du circuit : Le circuit est alimenté par une tension d'entrée Ve, appliquée à une résistance R1, qui est reliée à l'entrée inverseuse de l'AOP. Une autre résistance R2 est connectée entre la sortie de l'AOP et cette même entrée inverseuse, formant une boucle de rétroaction qui détermine le gain de l’amplification. L’entrée  non inverseuse de l’AOP est reliée directement à la masse. La sortie de l’AOP, qui fournit une tension amplifiée Vs​, est connectée à R3 et R4. Ces résistances sont connectées en série : R3 est reliée à la sortie de l’AOP, tandis que R4 est reliée à la masse. Une connexion supplémentaire existe entre la résistance R2 et le point intermédiaire entre R3 et R4.

Question : Sachant que R1 = R3 = 10 k, R2 = 100 k et R4 = 1 k. Calculer l'impédance de sortie Zs :

Donner la valeur en k, sans l'unité.

View this question

Pour un circuit à courant alternatif, la relation entre la tension de crête et la tension effective est la suivante :

0%
0%
0%
0%
View this question

Quelle est l'utilisation principale d'un condensateur ?

0%
0%
0%
0%
0%
View this question

Quel est le déphasage entre la tension et le courant dans un circuit purement inductif ? 

0%
0%
0%
0%
View this question
Pour un circuit avec un équivalent de Thévenin, que se passe-t-il si la résistance de la charge est nulle ?

0%
0%
0%
View this question

Quelle est l'unité de la puissance apparente ?

0%
0%
0%
0%
View this question

Want instant access to all verified answers on moodle.myefrei.fr?

Get Unlimited Answers To Exam Questions - Install Crowdly Extension Now!

Browser

Add to Chrome