logo

Crowdly

Browser

Add to Chrome

SAP - Autorevision test S2

Looking for SAP - Autorevision test S2 test answers and solutions? Browse our comprehensive collection of verified answers for SAP - Autorevision test S2 at moodle.myefrei.fr.

Get instant access to accurate answers and detailed explanations for your course questions. Our community-driven platform helps students succeed!

Un filtre passe-bas du second ordre est conçu à l'aide d'un réseau RLC. Que se passe-t-il si la bobine est remplacée par une résistance de même impédance à fc?
0%
0%
0%
0%
View this question

Quelle est la réponse du gain en dB d'un filtre passif passe-bas de second ordre avec un Q=2 à deux fois la fréquence de coupure ?

Donner la valeur sans unité.

View this question
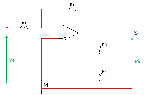
Description du circuit : Le circuit est alimenté par une tension d'entrée Ve, appliquée à une résistance R1, qui est reliée à l'entrée non inverseuse de l'AOP. Une autre résistance <math xmlns="http://www.w3.org/1998/Math/MathML"><semantics><annotation encoding="application/x-tex"></annotation></semantics></math>R2 est connectée entre la sortie de l'AOP et cette même entrée non inverseuse, formant une boucle de rétroaction qui détermine le gain de l’amplification. L’entrée inverseuse de l’AOP est reliée directement à la masse. La sortie de l’AOP, qui fournit une tension amplifiée Vs​, est connectée à <math xmlns="http://www.w3.org/1998/Math/MathML"><semantics><annotation encoding="application/x-tex"></annotation></semantics></math>R3 et <math xmlns="http://www.w3.org/1998/Math/MathML"><semantics><annotation encoding="application/x-tex"></annotation></semantics></math>R4. Ces résistances sont connectées en série : <math xmlns="http://www.w3.org/1998/Math/MathML"><semantics><annotation encoding="application/x-tex"></annotation></semantics></math>R3 est reliée à la sortie de l’AOP, tandis que R4 est reliée à la masse. Une connexion supplémentaire existe entre la résistance <math xmlns="http://www.w3.org/1998/Math/MathML"><semantics><annotation encoding="application/x-tex"></annotation></semantics></math>R2 et le point intermédiaire entre <math xmlns="http://www.w3.org/1998/Math/MathML"><semantics><annotation encoding="application/x-tex"></annotation></semantics></math>R3 et <math xmlns="http://www.w3.org/1998/Math/MathML"><semantics><annotation encoding="application/x-tex"></annotation></semantics></math>R4.

Question : Sachant que R1 = R3 = 10 k, R2 = 100 k et R4 = 1 k. Calculer l'impédance de sortie Zs :

Donner la valeur en k, sans l'unité.

View this question

Un filtre passe-bande RLC du deuxième ordre a R = 100 L = 100mH et C = 5μF. Quelle est sa fréquence de résonance f0 ?

Donnez la valeur en Hz avec 2 chiffres après la virgule, sans l'unité.

View this question

Que se passe-t-il si un filtre passif passe-haut de premier ordre est cascadé avec un filtre passif passe-haut identique ?

0%
0%
0%
0%
0%
View this question

Un filtre passif passe-bas du second ordre est utilisé pour filtrer un signal à 10 kHz. Si la fréquence de coupure est de 5 kHz et Q=1, quel est le gain en tension à 10 kHz ?

Donner la valeur avec 2 chiffres après la virgule.

View this question
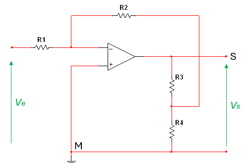
Description du circuit : Le circuit est alimenté par une tension d'entrée Ve, appliquée à une résistance R1, qui est reliée à l'entrée non inverseuse de l'AOP. Une autre résistance <math xmlns="http://www.w3.org/1998/Math/MathML"><semantics><annotation encoding="application/x-tex"></annotation></semantics></math>R2 est connectée entre la sortie de l'AOP et cette même entrée non inverseuse, formant une boucle de rétroaction qui détermine le gain de l’amplification. L’entrée inverseuse de l’AOP est reliée directement à la masse. La sortie de l’AOP, qui fournit une tension amplifiée Vs​, est connectée à <math xmlns="http://www.w3.org/1998/Math/MathML"><semantics><annotation encoding="application/x-tex"></annotation></semantics></math>R3 et <math xmlns="http://www.w3.org/1998/Math/MathML"><semantics><annotation encoding="application/x-tex"></annotation></semantics></math>R4. Ces résistances sont connectées en série : <math xmlns="http://www.w3.org/1998/Math/MathML"><semantics><annotation encoding="application/x-tex"></annotation></semantics></math>R3 est reliée à la sortie de l’AOP, tandis que R4 est reliée à la masse. Une connexion supplémentaire existe entre la résistance <math xmlns="http://www.w3.org/1998/Math/MathML"><semantics><annotation encoding="application/x-tex"></annotation></semantics></math>R2 et le point intermédiaire entre <math xmlns="http://www.w3.org/1998/Math/MathML"><semantics><annotation encoding="application/x-tex"></annotation></semantics></math>R3 et <math xmlns="http://www.w3.org/1998/Math/MathML"><semantics><annotation encoding="application/x-tex"></annotation></semantics></math>R4.

Question : Sachant que R1 = R3 = 10 k, R2 = 100 k et R4 = 1 k. Calculer l'impédance de sortie Zs :

Donner la valeur en k, sans l'unité.

View this question

Le rôle principal d'une tension d'offset dans un amplificateur opérationnel est de :

0%
0%
View this question

Un filtre RLC passe-haut a L=25mH et C=4μF. Quelle est sa fréquence de coupure ?

Donner la valeur en Hz avec 2 chiffres après la virgule, sans l'unité.

View this question

Quelle est l'impédance d'entrée idéale Ze d'un AOP?

0%
0%
0%
0%
View this question

Want instant access to all verified answers on moodle.myefrei.fr?

Get Unlimited Answers To Exam Questions - Install Crowdly Extension Now!

Browser

Add to Chrome