logo

Crowdly

Browser

Add to Chrome

SAP - Autorevision test S2

Looking for SAP - Autorevision test S2 test answers and solutions? Browse our comprehensive collection of verified answers for SAP - Autorevision test S2 at moodle.myefrei.fr.

Get instant access to accurate answers and detailed explanations for your course questions. Our community-driven platform helps students succeed!

Si la résistance d'un filtre passe-bas RLC est doublée, que devient le facteur de qualité Q ?

0%
0%
0%
0%
View this question
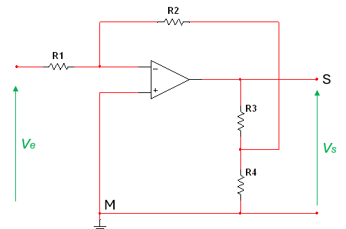
Description du circuit : Le circuit est alimenté par une tension d'entrée Ve, appliquée à une résistance R1, qui est reliée à l'entrée non inverseuse de l'AOP. Une autre résistance <math xmlns="http://www.w3.org/1998/Math/MathML"><semantics><annotation encoding="application/x-tex"></annotation></semantics></math>R2 est connectée entre la sortie de l'AOP et cette même entrée non inverseuse, formant une boucle de rétroaction qui détermine le gain de l’amplification. L’entrée inverseuse de l’AOP est reliée directement à la masse. La sortie de l’AOP, qui fournit une tension amplifiée Vs​, est connectée à <math xmlns="http://www.w3.org/1998/Math/MathML"><semantics><annotation encoding="application/x-tex"></annotation></semantics></math>R3 et <math xmlns="http://www.w3.org/1998/Math/MathML"><semantics><annotation encoding="application/x-tex"></annotation></semantics></math>R4. Ces résistances sont connectées en série : <math xmlns="http://www.w3.org/1998/Math/MathML"><semantics><annotation encoding="application/x-tex"></annotation></semantics></math>R3 est reliée à la sortie de l’AOP, tandis que R4 est reliée à la masse. Une connexion supplémentaire existe entre la résistance <math xmlns="http://www.w3.org/1998/Math/MathML"><semantics><annotation encoding="application/x-tex"></annotation></semantics></math>R2 et le point intermédiaire entre <math xmlns="http://www.w3.org/1998/Math/MathML"><semantics><annotation encoding="application/x-tex"></annotation></semantics></math>R3 et <math xmlns="http://www.w3.org/1998/Math/MathML"><semantics><annotation encoding="application/x-tex"></annotation></semantics></math>R4.

Question : Sachant que R1 = R3 = 10 k, R2 = 100 k et R4 = 1 k. Calculer l'impédance d'entrée Ze :

Donner les valeurs en k, sans l'unité.

View this question

Quel est le déphasage introduit par un filtre passif passe-haut de second ordre à très haute fréquence ?

Donnez la valeur en degrés, sans l'unité.

View this question

Que se passe-t-il si l'on augmente le facteur de qualité Q d'un filtre passe-bande passif du deuxième ordre ?

0%
0%
0%
0%
0%
View this question

An RLC notch filter is designed with R=500L = 10 mH and C = 100 nF. What is its notch frequency?

Give the value in Hz with no decimal digitsa and without the unit.

View this question

The main role of an offset voltage in an operational amplifier is to:

0%
0%
0%
0%
0%
View this question

A second-order RLC low-pass filter has a resistance of 10 Ω, an inductance of 100 mH, and a capacitance of 1 µF. What is the quality factor Q?

View this question

The cutoff frequency of a second-order low-pass passive filter is given by:

0%
0%
0%
0%
View this question

What happens if the quality factor Q of a second-order passive band-pass filter is increased?

0%
0%
0%
0%
View this question

Qu'arrive-t-il à l'impédance du condensateur dans un filtre passe-bas RC du premier ordre lorsque la fréquence augmente ?

0%
0%
0%
0%
0%
View this question

Want instant access to all verified answers on moodle.myefrei.fr?

Get Unlimited Answers To Exam Questions - Install Crowdly Extension Now!

Browser

Add to Chrome