logo

Crowdly

Browser

Add to Chrome

SAP - Autorevision test S2

Looking for SAP - Autorevision test S2 test answers and solutions? Browse our comprehensive collection of verified answers for SAP - Autorevision test S2 at moodle.myefrei.fr.

Get instant access to accurate answers and detailed explanations for your course questions. Our community-driven platform helps students succeed!

If R = 10 and I = 2 A, what is the voltage?

Give only the value, without the unit. 

View this question

What happens to the impedance of an inductor as the frequency approaches zero?

0%
0%
0%
0%
View this question
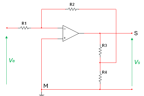
Description du circuit : Le circuit est alimenté par une tension d'entrée Ve, appliquée à une résistance R1, qui est reliée à l'entrée inverseuse de l'AOP. Une autre résistance <math xmlns="http://www.w3.org/1998/Math/MathML"><semantics><annotation encoding="application/x-tex"></annotation></semantics></math>R2 est connectée entre la sortie de l'AOP et cette même entrée inverseuse, formant une boucle de rétroaction qui détermine le gain de l’amplification. L’entrée  non inverseuse de l’AOP est reliée directement à la masse. La sortie de l’AOP, qui fournit une tension amplifiée Vs​, est connectée à <math xmlns="http://www.w3.org/1998/Math/MathML"><semantics><annotation encoding="application/x-tex"></annotation></semantics></math>R3 et <math xmlns="http://www.w3.org/1998/Math/MathML"><semantics><annotation encoding="application/x-tex"></annotation></semantics></math>R4. Ces résistances sont connectées en série : <math xmlns="http://www.w3.org/1998/Math/MathML"><semantics><annotation encoding="application/x-tex"></annotation></semantics></math>R3 est reliée à la sortie de l’AOP, tandis que R4 est reliée à la masse. Une connexion supplémentaire existe entre la résistance <math xmlns="http://www.w3.org/1998/Math/MathML"><semantics><annotation encoding="application/x-tex"></annotation></semantics></math>R2 et le point intermédiaire entre <math xmlns="http://www.w3.org/1998/Math/MathML"><semantics><annotation encoding="application/x-tex"></annotation></semantics></math>R3 et <math xmlns="http://www.w3.org/1998/Math/MathML"><semantics><annotation encoding="application/x-tex"></annotation></semantics></math>R4.

Question : Sachant que R1 = R3 = 10 k, R2 = 100 k et R4 = 1 k. Calculer l'impédance de sortie Zs :

Donner la valeur en k, sans l'unité.

View this question
Deux résistances, R1 = 5 et R2 = 15 , sont en parallèle. Quel pourcentage du courant total passe par R1 ?

0%
0%
0%
0%
View this question

Pour un signal sinusoïdal, quel paramètre ne dépend PAS de la fréquence ?

0%
0%
0%
0%
View this question

Quel théorème est principalement utilisé pour simplifier un réseau en une seule source de tension et une seule résistance ?

0%
0%
0%
0%
View this question

Qu'arrive-t-il à l'équation d'un nœud si une source de courant est ajoutée en parallèle à une branche ?

0%
0%
0%
0%
0%
View this question

Dans un circuit à courant alternatif, la différence de phase entre la tension et le courant est de 90o. Quel est le facteur de puissance ?

Donnez uniquement la valeur, sans l'unité. 

View this question

Que dit la loi d'Ohm ?

0%
0%
0%
0%
0%
View this question

Quelle est la formule de la puissance électrique ?

0%
0%
0%
0%
View this question

Want instant access to all verified answers on moodle.myefrei.fr?

Get Unlimited Answers To Exam Questions - Install Crowdly Extension Now!

Browser

Add to Chrome