logo

Crowdly

Browser

Add to Chrome

SAP - Autorevision test S2

Looking for SAP - Autorevision test S2 test answers and solutions? Browse our comprehensive collection of verified answers for SAP - Autorevision test S2 at moodle.myefrei.fr.

Get instant access to accurate answers and detailed explanations for your course questions. Our community-driven platform helps students succeed!

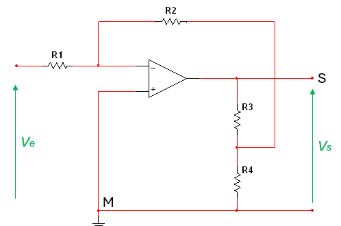
Description du circuit : Le circuit est alimenté par une tension d'entrée Ve, appliquée à une résistance R1, qui est reliée à l'entrée inverseuse de l'AOP. Une autre résistance R2R2 est connectée entre la sortie de l'AOP et cette même entrée inverseuse, formant une boucle de rétroaction qui détermine le gain de l’amplification. L’entrée  non inverseuse de l’AOP est reliée directement à la masse. La sortie de l’AOP, qui fournit une tension amplifiée Vs​, est connectée à R3R3 et R4R4. Ces résistances sont connectées en série : R3R3 est reliée à la sortie de l’AOP, tandis que R4 est reliée à la masse. Une connexion supplémentaire existe entre la résistance R2R2 et le point intermédiaire entre R3R3 et R4R4.

Question : Sachant que R1 = R3 = 10 k, R2 = 100 ket R4 = 1 k. Calculez l'amplification de tension du circuit Av :

View this question

Dans un filtre passe-bas RL du premier ordre, si la résistance de charge est réduite de manière significative, que se passera-t-il à la fréquence de coupure ?

0%
0%
0%
0%
0%
View this question

Dans un nœud, si les courants entrants sont de 3 A et 2 A, et les courants sortants de 4 A et Ix, quelle est la valeur de Ix

Ne donnez que la valeur, sans l'unité. 

View this question

Dans un circuit avec Veff = 200 V et Ieff = 10 A, quelle est la puissance apparente ?

Donnez uniquement la valeur, sans l'unité. 

View this question

Quelle est la résistance équivalente de trois résistances de 12 connectées en parallèle ?

Donnez seulement la valeur, sans l'unité.

View this question

Une résistance dissipe une puissance de 36 W à 12 V. Quelle est sa résistance ?

Donnez uniquement la valeur, sans l'unité. 

View this question
Description du circuit : Le circuit est alimenté par une tension d'entrée Ve, appliquée à une résistance R1, qui est reliée à l'entrée inverseuse de l'AOP. Une autre résistance R2R2 est connectée entre la sortie de l'AOP et cette même entrée inverseuse, formant une boucle de rétroaction qui détermine le gain de l’amplification. L’entrée  non inverseuse de l’AOP est reliée directement à la masse. La sortie de l’AOP, qui fournit une tension amplifiée Vs​, est connectée à R3R3 et R4R4. Ces résistances sont connectées en série : R3R3 est reliée à la sortie de l’AOP, tandis que R4 est reliée à la masse. Une connexion supplémentaire existe entre la résistance R2R2 et le point intermédiaire entre R3R3 et R4R4.

Question : Sachant que R1 = R3 = 10 k, R2 = 100 ket R4 = 1 k. Calculez l'amplification de tension du circuit Av :

View this question

Si un filtre passe-bas RL a pour caractéristiques et , quelle est la fréquence de coupure ?

Donner la valeur en Hz avec 2 chiffres après la virgule, sans l'unité.

View this question

Le déphasage d'un filtre passe-bas RC du premier ordre à sa fréquence de coupure est :

Donner la valeur en degrés, sans l'unité.

View this question
Quelle est la formule de la fréquence angulaire de résonance 0 dans un circuit RLC ?

0%
0%
0%
0%
View this question

Want instant access to all verified answers on moodle.myefrei.fr?

Get Unlimited Answers To Exam Questions - Install Crowdly Extension Now!

Browser

Add to Chrome