logo

Crowdly

Browser

Add to Chrome

SAP - Autorevision test S2

Looking for SAP - Autorevision test S2 test answers and solutions? Browse our comprehensive collection of verified answers for SAP - Autorevision test S2 at moodle.myefrei.fr.

Get instant access to accurate answers and detailed explanations for your course questions. Our community-driven platform helps students succeed!

Si R = 10 et I = 2 A, quelle est la tension ?

Donnez seulement la valeur, sans l'unité. 

View this question

Quel est le facteur de puissance (FP) lorsque le déphasage entre la tension et le courant est nul ?

Donnez uniquement la valeur, sans l'unité. 

View this question

Dans l'équation du nœud , que se passe-t-il si la résistance d'une branche augmente ?

0%
0%
0%
0%
View this question
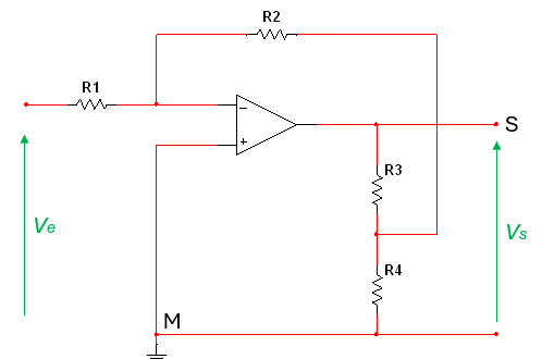
Description du circuit : Le circuit est alimenté par une tension d'entrée Ve, appliquée à une résistance R1, qui est reliée à l'entrée inverseuse de l'AOP. Une autre résistance R2 est connectée entre la sortie de l'AOP et cette même entrée inverseuse, formant une boucle de rétroaction qui détermine le gain de l’amplification. L’entrée  non inverseuse de l’AOP est reliée directement à la masse. La sortie de l’AOP, qui fournit une tension amplifiée Vs​, est connectée à R3 et R4. Ces résistances sont connectées en série : R3 est reliée à la sortie de l’AOP, tandis que R4 est reliée à la masse. Une connexion supplémentaire existe entre la résistance R2 et le point intermédiaire entre R3 et R4.

Question : Sachant que R1 = R3 = 10 k, R2 = 100 k et R4 = 1 k. Calculer l'impédance d'entrée Ze :

Donner les valeurs en k, sans l'unité.

View this question
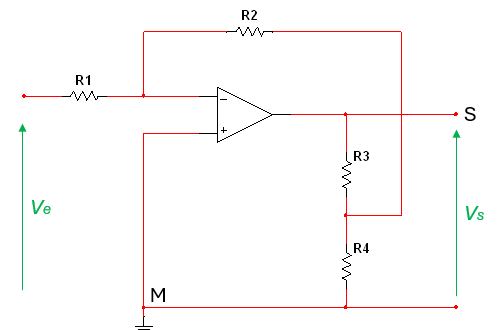
Description du circuit : Le circuit est alimenté par une tension d'entrée Ve, appliquée à une résistance R1, qui est reliée à l'entrée inverseuse de l'AOP. Une autre résistance R2R2 est connectée entre la sortie de l'AOP et cette même entrée inverseuse, formant une boucle de rétroaction qui détermine le gain de l’amplification. L’entrée  non inverseuse de l’AOP est reliée directement à la masse. La sortie de l’AOP, qui fournit une tension amplifiée Vs​, est connectée à R3R3 et R4R4. Ces résistances sont connectées en série : R3R3 est reliée à la sortie de l’AOP, tandis que R4 est reliée à la masse. Une connexion supplémentaire existe entre la résistance R2R2 et le point intermédiaire entre R3R3 et R4R4.

Question : Sachant que R1 = R3 = 10 k, R2 = 100 ket R4 = 1 k. Calculez l'amplification de tension du circuit Av :

View this question

Dans un filtre passe-bas RC du premier ordre, si l'on double la résistance tout en maintenant la capacité constante, la fréquence de coupure :

0%
0%
0%
0%
View this question

Un filtre passe-bas RLC du deuxième ordre avec L = 20mH et C = 5μF reçoit une entrée de 10V à 100Hz. Si Q=4, estimez la tension de sortie.

Donnez la valeur en V avec 1 chiffre après la virgule, sans l'unité.

View this question
Description du circuit : Le circuit est alimenté par une tension d'entrée Ve, appliquée à une résistance R1, qui est reliée à l'entrée inverseuse de l'AOP. Une autre résistance R2 est connectée entre la sortie de l'AOP et cette même entrée inverseuse, formant une boucle de rétroaction qui détermine le gain de l’amplification. L’entrée  non inverseuse de l’AOP est reliée directement à la masse. La sortie de l’AOP, qui fournit une tension amplifiée Vs​, est connectée à R3 et R4. Ces résistances sont connectées en série : R3 est reliée à la sortie de l’AOP, tandis que R4 est reliée à la masse. Une connexion supplémentaire existe entre la résistance R2 et le point intermédiaire entre R3 et R4.

Question : Sachant que R1 = R3 = 10 k, R2 = 100 k et R4 = 1 k. Calculer l'impédance d'entrée Ze :

Donner les valeurs en k, sans l'unité.

View this question

In an RL low-pass filter, if the inductance is doubled while keeping the resistance constant, what happens to the cutoff frequency?

0%
0%
0%
0%
View this question

In a first-order passive RC low-pass filter, when the input frequency increases significantly beyond the cutoff frequency, the output voltage:

0%
0%
0%
0%
View this question

Want instant access to all verified answers on moodle.myefrei.fr?

Get Unlimited Answers To Exam Questions - Install Crowdly Extension Now!

Browser

Add to Chrome