logo

Crowdly

Browser

Add to Chrome

SAP - Autorevision test S2

Looking for SAP - Autorevision test S2 test answers and solutions? Browse our comprehensive collection of verified answers for SAP - Autorevision test S2 at moodle.myefrei.fr.

Get instant access to accurate answers and detailed explanations for your course questions. Our community-driven platform helps students succeed!

Qu'arrive-t-il à la résistance totale lorsqu'une résistance est ajoutée en parallèle ?

0%
0%
0%
0%
View this question
Quelle est la fréquence du courant alternatif domestique dans la plupart des pays ?

100%
0%
0%
0%
0%
0%
View this question
Que représente l'amplitude d'un signal ?

0%
0%
0%
0%
0%
View this question

Dans un circuit en parallèle, comment l'ajout d'une autre branche affecte-t-il le courant équivalent ?

0%
0%
0%
0%
View this question

Quelle est la tension aux bornes d'un circuit ouvert ?

0%
0%
0%
0%
View this question

Pour un circuit comportant plusieurs sources indépendantes, laquelle des affirmations suivantes est correcte en ce qui concerne le théorème de superposition ?

0%
0%
0%
0%
0%
View this question
Pour un circuit utilisant le théorème de Millman, quelle condition doit être remplie ?

0%
0%
0%
0%
0%
View this question
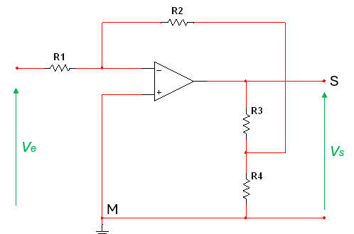
Description du circuit : Le circuit est alimenté par une tension d'entrée Ve, appliquée à une résistance R1, qui est reliée à l'entrée inverseuse de l'AOP. Une autre résistance R2 est connectée entre la sortie de l'AOP et cette même entrée inverseuse, formant une boucle de rétroaction qui détermine le gain de l’amplification. L’entrée  non inverseuse de l’AOP est reliée directement à la masse. La sortie de l’AOP, qui fournit une tension amplifiée Vs​, est connectée à R3 et R4. Ces résistances sont connectées en série : R3 est reliée à la sortie de l’AOP, tandis que R4 est reliée à la masse. Une connexion supplémentaire existe entre la résistance R2 et le point intermédiaire entre R3 et R4.

Question : Sachant que R1 = R3 = 10 k, R2 = 100 k et R4 = 1 k. Calculer l'impédance de sortie Zs :

Donner la valeur en k, sans l'unité.

View this question
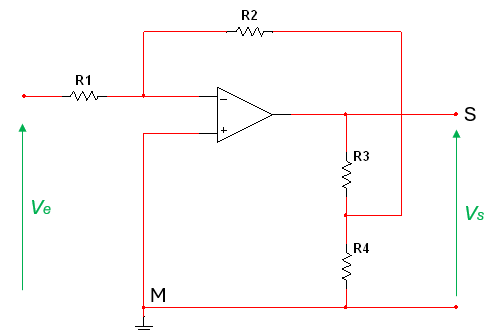
Description du circuit : Le circuit est alimenté par une tension d'entrée Ve, appliquée à une résistance R1, qui est reliée à l'entrée inverseuse de l'AOP. Une autre résistance R2 est connectée entre la sortie de l'AOP et cette même entrée inverseuse, formant une boucle de rétroaction qui détermine le gain de l’amplification. L’entrée  non inverseuse de l’AOP est reliée directement à la masse. La sortie de l’AOP, qui fournit une tension amplifiée Vs​, est connectée à R3 et R4. Ces résistances sont connectées en série : R3 est reliée à la sortie de l’AOP, tandis que R4 est reliée à la masse. Une connexion supplémentaire existe entre la résistance R2 et le point intermédiaire entre R3 et R4.

Question : Sachant que R1 = R3 = 10 k, R2 = 100 k et R4 = 1 k. Calculer l'impédance d'entrée Ze :

Donner les valeurs en k, sans l'unité.

View this question

Pour un filtre passe-bas RC du premier ordre, si une onde sinusoïdale de fréquence est appliquée, quelle est l'amplitude approximative de la sortie par rapport à l'entrée ?

0%
0%
0%
0%
0%
View this question

Want instant access to all verified answers on moodle.myefrei.fr?

Get Unlimited Answers To Exam Questions - Install Crowdly Extension Now!

Browser

Add to Chrome