logo

Crowdly

Browser

Add to Chrome

SAP - Autorevision test S2

Looking for SAP - Autorevision test S2 test answers and solutions? Browse our comprehensive collection of verified answers for SAP - Autorevision test S2 at moodle.myefrei.fr.

Get instant access to accurate answers and detailed explanations for your course questions. Our community-driven platform helps students succeed!

In a first-order RC high-pass filter, the output is zero at DC

0%
0%
View this question
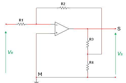
Description du circuit : Le circuit est alimenté par une tension d'entrée Ve, appliquée à une résistance R1, qui est reliée à l'entrée inverseuse de l'AOP. Une autre résistance <math xmlns="http://www.w3.org/1998/Math/MathML"><semantics><annotation encoding="application/x-tex"></annotation></semantics></math>R2 est connectée entre la sortie de l'AOP et cette même entrée inverseuse, formant une boucle de rétroaction qui détermine le gain de l’amplification. L’entrée  non inverseuse de l’AOP est reliée directement à la masse. La sortie de l’AOP, qui fournit une tension amplifiée Vs​, est connectée à <math xmlns="http://www.w3.org/1998/Math/MathML"><semantics><annotation encoding="application/x-tex"></annotation></semantics></math>R3 et <math xmlns="http://www.w3.org/1998/Math/MathML"><semantics><annotation encoding="application/x-tex"></annotation></semantics></math>R4. Ces résistances sont connectées en série : <math xmlns="http://www.w3.org/1998/Math/MathML"><semantics><annotation encoding="application/x-tex"></annotation></semantics></math>R3 est reliée à la sortie de l’AOP, tandis que R4 est reliée à la masse. Une connexion supplémentaire existe entre la résistance <math xmlns="http://www.w3.org/1998/Math/MathML"><semantics><annotation encoding="application/x-tex"></annotation></semantics></math>R2 et le point intermédiaire entre <math xmlns="http://www.w3.org/1998/Math/MathML"><semantics><annotation encoding="application/x-tex"></annotation></semantics></math>R3 et <math xmlns="http://www.w3.org/1998/Math/MathML"><semantics><annotation encoding="application/x-tex"></annotation></semantics></math>R4.

Question : Sachant que R1 = R3 = 10 k, R2 = 100 k et R4 = 1 k. Calculer l'impédance de sortie Zs :

Donner la valeur en k, sans l'unité.

View this question
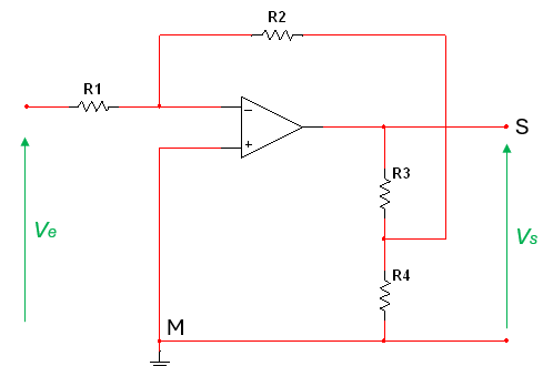
Description du circuit : Le circuit est alimenté par une tension d'entrée Ve, appliquée à une résistance R1, qui est reliée à l'entrée inverseuse de l'AOP. Une autre résistance R2 est connectée entre la sortie de l'AOP et cette même entrée inverseuse, formant une boucle de rétroaction qui détermine le gain de l’amplification. L’entrée  non inverseuse de l’AOP est reliée directement à la masse. La sortie de l’AOP, qui fournit une tension amplifiée Vs​, est connectée à R3 et R4. Ces résistances sont connectées en série : R3 est reliée à la sortie de l’AOP, tandis que R4 est reliée à la masse. Une connexion supplémentaire existe entre la résistance R2 et le point intermédiaire entre R3 et R4.

Question : Sachant que R1 = R3 = 10 k, R2 = 100 k et R4 = 1 k. Calculer l'impédance d'entrée Ze :

Donner les valeurs en k, sans l'unité.

View this question

A la fréquence de coupure d'un filtre passe-haut de second ordre, la tension de sortie est :

0%
0%
0%
View this question

L'objectif d'une rétroaction négative dans un circuit d'amplificateur opérationnel est de :

0%
0%
0%
0%
0%
View this question

Le facteur de qualité Q d'un filtre passe-bas passif du deuxième ordre est lié à :

0%
0%
0%
0%
View this question

La fonction de transfert d'un filtre passe-haut RC du premier ordre est donnée par :

0%
0%
0%
0%
0%
View this question

La fréquence de coupure d'un filtre passe-haut RL du premier ordre est donnée par :

0%
0%
0%
0%
0%
View this question
Le courant de Norton IN peut être calculé à l'aide de la formule suivante :

0%
0%
0%
0%
View this question

Lequel des éléments suivants n'affecte PAS la puissance apparente S dans un circuit ?

0%
0%
0%
0%
0%
View this question

Want instant access to all verified answers on moodle.myefrei.fr?

Get Unlimited Answers To Exam Questions - Install Crowdly Extension Now!

Browser

Add to Chrome