logo

Crowdly

Browser

Add to Chrome

SAP - Autorevision test S2

Looking for SAP - Autorevision test S2 test answers and solutions? Browse our comprehensive collection of verified answers for SAP - Autorevision test S2 at moodle.myefrei.fr.

Get instant access to accurate answers and detailed explanations for your course questions. Our community-driven platform helps students succeed!

Dans un circuit en série, le courant est :

0%
0%
0%
0%
View this question

Qu'arrive-t-il à la fréquence de résonance f0 d'un filtre passif RLC passe-bande si L et C sont doublées ?

0%
0%
0%
0%
0%
View this question
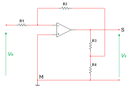
Description du circuit : Le circuit est alimenté par une tension d'entrée Ve, appliquée à une résistance R1, qui est reliée à l'entrée inverseuse de l'AOP. Une autre résistance R2 est connectée entre la sortie de l'AOP et cette même entrée inverseuse, formant une boucle de rétroaction qui détermine le gain de l’amplification. L’entrée  non inverseuse de l’AOP est reliée directement à la masse. La sortie de l’AOP, qui fournit une tension amplifiée Vs​, est connectée à R3 et R4. Ces résistances sont connectées en série : R3 est reliée à la sortie de l’AOP, tandis que R4 est reliée à la masse. Une connexion supplémentaire existe entre la résistance R2 et le point intermédiaire entre R3 et R4.

Question : Sachant que R1 = R3 = 10 k, R2 = 100 k et R4 = 1 k. Calculer l'impédance d'entrée Ze :

Donner les valeurs en k, sans l'unité.

View this question

Pour un filtre passif du premier ordre, si l'impédance d'entrée n'est pas prise en compte et qu'une charge à haute impédance est connectée à la sortie, quelle est la conséquence ?

0%
0%
0%
0%
View this question

Quel dispositif permet de visualiser les variations du signal dans le temps ?

0%
0%
0%
0%
View this question

Dans l'équation du nœud , que se passe-t-il si la résistance d'une branche augmente ?

0%
0%
0%
0%
View this question

Un condensateur bloque :

0%
0%
0%
0%
View this question

Si i1 = 10 mA et i2 = 4 mA, quelle est la valeur de i3 ?

Donnez uniquement la valeur, sans l'unité. 

View this question

Si un circuit a R = 15 , I= 3 A et que la tension augmente de 20%, quel est le nouveau courant ?

Donnez la valeur avec 1 chiffre après la virgule, sans l'unité. 

View this question

Quel type de courant circule dans une direction constante ?

0%
0%
0%
0%
View this question

Want instant access to all verified answers on moodle.myefrei.fr?

Get Unlimited Answers To Exam Questions - Install Crowdly Extension Now!

Browser

Add to Chrome