Looking for PHS0102 - Électricité et magnétisme (Automne 2025) test answers and solutions? Browse our comprehensive collection of verified answers for PHS0102 - Électricité et magnétisme (Automne 2025) at moodle.polymtl.ca.
Get instant access to accurate answers and detailed explanations for your course questions. Our community-driven platform helps students succeed!
Un long solénoïde, comportant 67 spires/cm et ayant un rayon 9 cm, est parcouru par un courant alternatif défini par la relation suivante : I (t) = I0 sin(ωt) où I0 = 2,3A et ω = 123rad/s. Une boucle de courant de forme rectangulaire (6cm par 8 cm) comportant 2 spires est placée à l’intérieur du solénoïde de façon à ce que son plan soit perpendiculaire au champ magnétique généré par le solénoïde. Calculer la valeur maximale de la f.é.m. qui sera induite dans la boucle.
Une boucle rectangulaire constituée d’un fil conducteur a une vitesse constante v dans la direction -x, à proximité d’un long fil droit où circule un courant I dans la direction +y.
Quelle est le sens du courant induit?
Pour chacune des deux situations, déterminer le sens du courant induit dans le cadre.
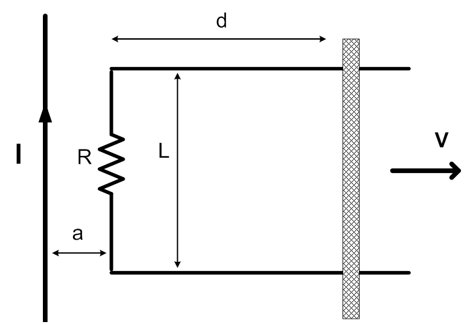
Un long fil rectiligne est parcouru par un courant gardé constant à I = 32 A, par une source de courant. Une tige métallique se déplace à une vitesse constante sur les rails qui forment un circuit fermé avec une résistance R = 65Ω. Sachant que a = 1 cm, d = 5 cm, L = 40 cm et v = 39 cm/s.
a) Déterminer le module de la f.é.m induite à cet instant.
b) Déterminer le courant induit si les résistances de la tige et des rails sont négligeables.
c) Est-ce que le courant induit sera dans le sens horaire ou antihoraire? Ne pas justifier. Répondre par 0 pour horaire et 1 pour antihoraire
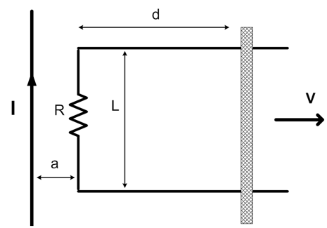
Un long fil rectiligne est parcouru par un courant gardé constant à I = 32 A, par une source de courant. Une tige métallique se déplace à une vitesse constante sur les rails qui forment un circuit fermé avec une résistance R = 65Ω. Sachant que a = 1 cm, d = 5 cm, L = 40 cm et v = 39 cm/s.
a) Déterminer le module de la f.é.m induite à cet instant.
b) Déterminer le courant induit si les résistances de la tige et des rails sont négligeables.
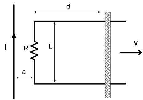
Un long fil rectiligne est parcouru par un courant gardé constant à I = 32 A, par une source de courant. Une tige métallique se déplace à une vitesse constante sur les rails qui forment un circuit fermé avec une résistance R = 65Ω. Sachant que a = 1 cm, d = 5 cm, L = 40 cm et v = 39 cm/s.
a) Déterminer le module de la f.é.m induite à cet instant.
Un long solénoïde, comportant 75 spires/cm et ayant un rayon 9 cm, est parcouru par un courant alternatif défini par la relation suivante : I (t) = I0 sin(ωt) où I0 = 2,2A et ω = 106rad/s. Une boucle de courant de forme rectangulaire (6cm par 8 cm) comportant 7 spires est placée à l’intérieur du solénoïde de façon à ce que son plan soit perpendiculaire au champ magnétique généré par le solénoïde. Calculer la valeur maximale de la f.é.m. qui sera induite dans la boucle.
Pour chacune des deux situations, déterminer le sens du courant induit dans le cadre.
Une boucle rectangulaire constituée d’un fil conducteur a une vitesse constante v dans la direction -x, à proximité d’un long fil droit où circule un courant I dans la direction +y.
Quelle est le sens du courant induit?
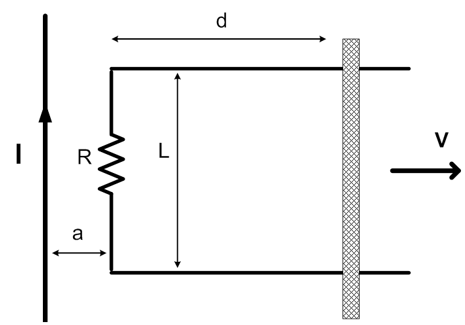
Un long fil rectiligne est parcouru par un courant gardé constant à I = 31 A, par une source de courant. Une tige métallique se déplace à une vitesse constante sur les rails qui forment un circuit fermé avec une résistance R = 43Ω. Sachant que a = 1 cm, d = 5 cm, L = 40 cm et v = 29 cm/s.
a) Déterminer le module de la f.é.m induite à cet instant.
b) Déterminer le courant induit si les résistances de la tige et des rails sont négligeables.
c) Est-ce que le courant induit sera dans le sens horaire ou antihoraire? Ne pas justifier. Répondre par 0 pour horaire et 1 pour antihoraire