logo

Crowdly

Browser

Add to Chrome

PHS0102 - Électricité et magnétisme (Automne 2025)

Looking for PHS0102 - Électricité et magnétisme (Automne 2025) test answers and solutions? Browse our comprehensive collection of verified answers for PHS0102 - Électricité et magnétisme (Automne 2025) at moodle.polymtl.ca.

Get instant access to accurate answers and detailed explanations for your course questions. Our community-driven platform helps students succeed!

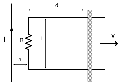
Un long fil rectiligne est parcouru par un courant gardé constant à I = 31 A, par une source de courant. Une tige métallique se déplace à une vitesse constante sur les rails qui forment un circuit fermé avec une résistance R = 43Ω. Sachant que a = 1 cm, d = 5 cm, L = 40 cm et v  = 29 cm/s.

 

c10e1

 

a)    Déterminer le module de la f.é.m induite à cet instant.

View this question

Un long fil rectiligne est parcouru par un courant gardé constant à I = 31 A, par une source de courant. Une tige métallique se déplace à une vitesse constante sur les rails qui forment un circuit fermé avec une résistance R = 43Ω. Sachant que a = 1 cm, d = 5 cm, L = 40 cm et v  = 29 cm/s.

 

 

a)    Déterminer le module de la f.é.m induite à cet instant.

b)    Déterminer le courant induit si les résistances de la tige et des rails sont négligeables.

 

View this question

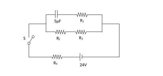
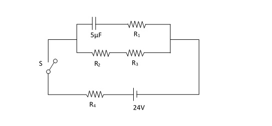
Considérez le circuit suivant :

 PHS0102-7.2-énoncé

Lorsque t < t0, le commutateur S est en position fermée, le circuit se trouve alors en équilibreÀ t = t0, le commutateur S est en position ouverte et le circuit n'est plus à l'équilibre.

R1 = 2Ω ; R2 = 5Ω ; R3 = 6,4Ω ; R4 = 8,4Ω

a) Pour t < t0 : Quel est le courant dans la branche contenant les résistances de R2 et R3?

b) Pour t < t0 : Quel est le courant dans la branche contenant le condensateur de 5μF?

c) Quelle est la valeur maximale de la charge portée par le condensateur?

View this question

Considérez le circuit suivant :

PHS0102-7.2-énoncé

Lorsque t < t0, le commutateur S est en position fermée, le circuit se trouve alors en équilibreÀ t = t0, le commutateur S est en position ouverte et le circuit n'est plus à l'équilibre.

R1 = 2Ω ; R2 = 5Ω ; R3 = 6,4Ω ; R4 = 8,4Ω

a) Pour t < t0 : Quel est le courant dans la branche contenant les résistances de R2 et R3?

b) Pour t < t0 : Quel est le courant dans la branche contenant le condensateur de 5μF?

View this question

Considérez le circuit suivant :

PHS0102-7.2-énoncé

Lorsque t < t0, le commutateur S est en position fermée, le circuit se trouve alors en équilibreÀ t = t0, le commutateur S est en position ouverte et le circuit n'est plus à l'équilibre.

R1 = 2Ω ; R2 = 5Ω ; R3 = 6,4Ω ; R4 = 8,4Ω

a) Pour t < t0: Quel est le courant dans la branche contenant les résistances de R2 et R3?

View this question

Dans le circuit de la figure ci-contre, l’interrupteur S1 est initialement fermé et l’interrupteur S2 est ouvert jusqu’à ce que l’équilibre soit atteint. À t = 0 s, on ferme S2 et on ouvre S1. Les données du circuit sont: ε = 11 V, C= 8,9 nF, R= 11 Ω et R= 206 Ω

a) Pour t > 0, est-ce que le circuit est en régime de charge (répondre par 0) ou de décharge (répondre par 1) ?

b) La constante de temps du circuit τ = 500 ns. Quelle est la valeur de la résistance R3 ?

View this question

Dans le circuit de la figure ci-contre, l’interrupteur S1 est initialement fermé et l’interrupteur S2 est ouvert jusqu’à ce que l’équilibre soit atteint. À t = 0 s, on ferme S2 et on ouvre S1. Les données du circuit sont: ε = 11 V, C = 8,9 nF, R1 = 11 Ω et R2 = 206 Ω

a) Pour t > 0, est-ce que le circuit est en régime de charge (répondre par 0) ou de décharge (répondre par 1) ?

b) La constante de temps du circuit τ = 500 ns. Quelle est la valeur de la résistance R3 ?

c) Quelle est la charge sur les armatures du condensateur à t = 1.5μs

 

 

 

View this question

Dans le circuit de la figure ci-contre, l’interrupteur S1 est initialement fermé et l’interrupteur S2 est ouvert jusqu’à ce que l’équilibre soit atteint. À t = 0 s, on ferme S2 et on ouvre S1. Les données du circuit sont: ε = 11 V, C = 8,9 nF, R= 11 Ω et R= 206 Ω

a) Pour t > 0, est-ce que le circuit est en régime de charge (répondre par 0) ou de décharge (répondre par 1) ?

View this question

Une pile fournit 3,6 mW à un tournevis électrique sans fil de 8,6V. Combien de protons quitte la borne positive en 6,7 min?  

View this question

La résistivité de l’aluminium ρ0= 2,7 ×10-8 Ω.m à T0=21°C et son coefficient thermique de résistivité α=4 ×10-3°C-1. On fait circuler un courant perpendiculairement à l’une des faces d’un cube d’aluminium de côté L=11 cm.

 

a) Quelle est la résistance du cube d’aluminium à une température T=51° C  

À cette température, l’aluminium a 3 électrons libres par atome, une masse volumique d=2700 kg/m3  et une masse molaire M=26.982 g/mol. Le nombre d’Avogadro NA= 6.022×1023 atomes/mol.

 

b) Quelle est le nombre d’électrons libres par unité de volume n pour l’aluminium à 50°C ?

 

c) Si une densité de courant de norme J= 56 kA/m2 circule perpendiculairement à une des faces du cube d’aluminium, quelle est la vitesse de dérive vd des électrons à 50°C

View this question

Want instant access to all verified answers on moodle.polymtl.ca?

Get Unlimited Answers To Exam Questions - Install Crowdly Extension Now!

Browser

Add to Chrome