logo

Crowdly

Browser

Add to Chrome

25-26 EE2070: Analogue Electronic Systems

Looking for 25-26 EE2070: Analogue Electronic Systems test answers and solutions? Browse our comprehensive collection of verified answers for 25-26 EE2070: Analogue Electronic Systems at moodle.royalholloway.ac.uk.

Get instant access to accurate answers and detailed explanations for your course questions. Our community-driven platform helps students succeed!

Choose from the options below the correct differential gain equation for the

most commonly used instrumentation amplifier.

Instrumentation Ampliifer

0%
0%
0%
0%
View this question

Choose from the options below the correct differential gain equation for the

most commonly used instrumentation amplifier.

Instrumentation Ampliifer

0%
100%
0%
0%
View this question

Choose the statement that best describes in-amps from the options below.

0%
0%
100%
0%
View this question

The main pitfall of traditional differential amplifier circuits is that they can suffer from resistor mis-match due to unknown non-zero source resistances, this results in what effect(s)?

0%
0%
0%
0%
View this question

What is the generalised formula for the voltage gain of a standard differential amplifier shown in the figure below:

0%
0%
0%
0%
View this question

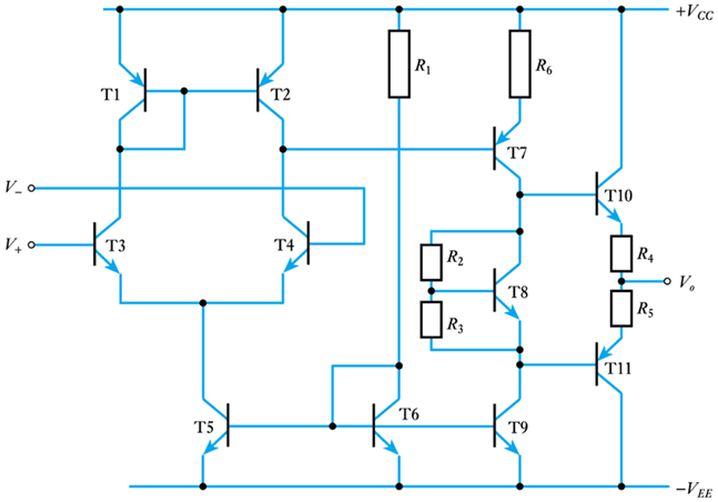
In the following improved bipolar operational amplifier, which transistors form active loads?

bipolar operational amplifier

0%
0%
0%
0%
0%
0%
View this question

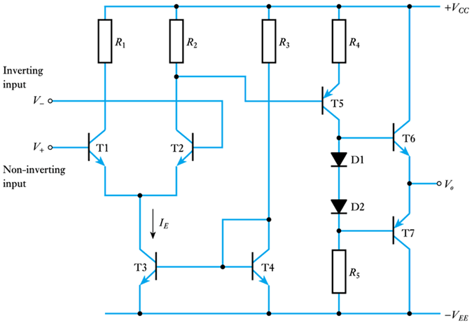
In the following simple operational amplifier circuit, what role does transistor T5 perform?

simple op-amp circuit

0%
0%
100%
0%
View this question

What are the AC small signal characteristics of the long-tailed pair differential amplifier stage?

Long-tailed pair

View this question

The following Widlar mirror has been configured to provide 50 μA through Q2 (  ), with a ratio of .  Assuming that the thermal voltage, VT = 26 mV, determine the correct value of emitter resistor, RE. Select the closest answer.

100%
0%
0%
0%
View this question

The following Wilson Mirror is set to provide a constant current to its load.  Given that the supply voltage is 15V and assuming that VBE = 0.6V for all BJTs, what is the value of this current, IL?

100%
0%
0%
0%
View this question

Want instant access to all verified answers on moodle.royalholloway.ac.uk?

Get Unlimited Answers To Exam Questions - Install Crowdly Extension Now!

Browser

Add to Chrome