logo

Crowdly

Browser

Add to Chrome

25-26 EE2070: Analogue Electronic Systems

Looking for 25-26 EE2070: Analogue Electronic Systems test answers and solutions? Browse our comprehensive collection of verified answers for 25-26 EE2070: Analogue Electronic Systems at moodle.royalholloway.ac.uk.

Get instant access to accurate answers and detailed explanations for your course questions. Our community-driven platform helps students succeed!

Given the following circuit diagram, that R1 = 33 kΩ, R2 = 47 kΩ, RE = 5.6 kΩ, VCC = 12 V, VBE = 0.6 V and hFE = 100, further assume that the base current is negligible, calculate the quiescent emitter voltage, VEQ. Select the closest answer from below

0%
67%
33%
0%
View this question

Please match the characteristics of the Common Collector amplifier

View this question

Given the following circuit diagram, also that gm = 0.05 S and RC = 3.3 kΩ, further assume that the bypass capacitor, CE, is a short circuit for AC signals, calculate the AC voltage gain, Av

.

Select the closest answer from below

50%
0%
50%
0%
View this question

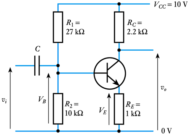
Given the following circuit diagram, further assume that the intrinsic base resistance is negligible, calculate the approximate AC voltage gain of the amplifier. Select the closest answer from below

0%
0%
0%
0%
View this question

Please match the characteristics of the Common Emitter amplifier

View this question

Select the correct form of the Ebers-Moll formula from the options below

100%
0%
0%
0%
View this question

Given the following circuit diagram, also that gm = 0.05 S and RC = 3.3 kΩ, further assume that the bypass capacitor, CE, is a short circuit for AC signals, calculate the AC voltage gain, Av

.

Select the closest answer from below

0%
0%
0%
0%
View this question

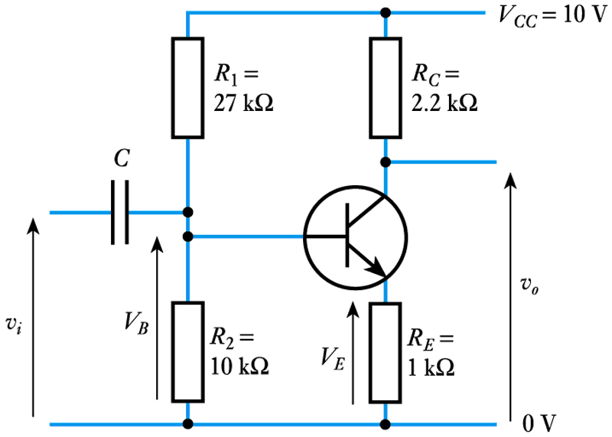
Given the following circuit diagram, further assume that the intrinsic base resistance is negligible, calculate the approximate AC voltage gain of the amplifier. Select the closest answer from below

0%
50%
0%
50%
View this question

Want instant access to all verified answers on moodle.royalholloway.ac.uk?

Get Unlimited Answers To Exam Questions - Install Crowdly Extension Now!

Browser

Add to Chrome