logo

Crowdly

Browser

Add to Chrome

Elektrotechnisches Praktikum 1 (PR) [25ss-61.30003]

Looking for Elektrotechnisches Praktikum 1 (PR) [25ss-61.30003] test answers and solutions? Browse our comprehensive collection of verified answers for Elektrotechnisches Praktikum 1 (PR) [25ss-61.30003] at moodle.rwth-aachen.de.

Get instant access to accurate answers and detailed explanations for your course questions. Our community-driven platform helps students succeed!

Welchen Verlauf hat die Spannung eines Kondensators, der

aufgeladen wird?

View this question

Welchen Wert nimmt die Ausgangsspannung U an?MC-V6.R5

0%
0%
0%
View this question

Die Spannung U entspricht: MC-V6.R8

0%
0%
0%
View this question

Die Spannung U entspricht: MC-V6.R9

0%
0%
0%
0%
View this question

Welcher Zusammenhang beschreibt den Verstärkungsfaktor V des invertierenden Verstärkers?

0%
0%
0%
0%
View this question

Wie groß ist der Ausgangswiderstand realer Operationsverstärker?

0%
0%
0%
0%
View this question

Wofür wird ein Komparator verwendet?

0%
0%
0%
0%
View this question

Welches Bauteil ist in der Regel nicht Bestandteil des Aufbaus realer Operationsverstärker?

0%
0%
0%
0%
View this question

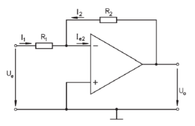
Welcher Typ ist der Operationsverstärker in der Abbildung?MC-V6.1

0%
0%
0%
View this question

Wie groß ist die Eingansoffsetspannung eines realen Operationsverstärker?

0%
0%
0%
0%
View this question

Want instant access to all verified answers on moodle.rwth-aachen.de?

Get Unlimited Answers To Exam Questions - Install Crowdly Extension Now!

Browser

Add to Chrome