logo

Crowdly

Browser

Add to Chrome

Elektrotechnisches Praktikum 1 (PR) [25ss-61.30003]

Looking for Elektrotechnisches Praktikum 1 (PR) [25ss-61.30003] test answers and solutions? Browse our comprehensive collection of verified answers for Elektrotechnisches Praktikum 1 (PR) [25ss-61.30003] at moodle.rwth-aachen.de.

Get instant access to accurate answers and detailed explanations for your course questions. Our community-driven platform helps students succeed!

Worin unterscheiden sich die Schaltungen des nicht-invertierenden Schmitt-Triggers und des invertierenden Verstärkers?

View this question

In welchem Wertebereich liegt der

Stromverstärkungsfaktor β typischerweise?

0%
0%
0%
View this question

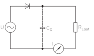
Welche Schaltung ist hier abgebildet?

V5_Wissen_8

0%
0%
0%
View this question

Schätzen Sie die Güte folgender

gleichgerichteter Spannung ab (gemäß der im Skript verwendeten Definition)

v5_rechnen_9

View this question

Welchen Wert hat UDiode?  (Alle Dioden sind ideal; US

= 0,6

V; R = 1 kΩ; U

Quelle= 12 V)

v5_rechnen_8

View this question

Wie wird in einer Halbleiterdiode das Gebiet

zwischen P-leitendem und N-leitendem Material genannt?

View this question

In welche Richtung muss eine äußere Spannung an

einer Diode angelegt werden, damit diese sperrt?

View this question

Eine Halbleiterdiode ist ein...

View this question

Welchen Wert hat UDiode?  (Alle Dioden sind ideal; US

= 0,6

V; R = 1 kΩ; U

Quelle= 12 V)

v5_rechnen_3

View this question

Was bewirkt eine Temperaturerhöhung bei

Halbleitern in der Regel?

View this question

Want instant access to all verified answers on moodle.rwth-aachen.de?

Get Unlimited Answers To Exam Questions - Install Crowdly Extension Now!

Browser

Add to Chrome