logo

Crowdly

Browser

Add to Chrome

Elektrotechnisches Praktikum 1 (PR) [25ss-61.30003]

Looking for Elektrotechnisches Praktikum 1 (PR) [25ss-61.30003] test answers and solutions? Browse our comprehensive collection of verified answers for Elektrotechnisches Praktikum 1 (PR) [25ss-61.30003] at moodle.rwth-aachen.de.

Get instant access to accurate answers and detailed explanations for your course questions. Our community-driven platform helps students succeed!

Wozu

kann die Wheatstone´sche Messbrücke eingesetzt werden?

View this question

Was

versteht man bei der Berechnung von elektrischen Netzwerken unter einer Masche?

View this question

Welche

Eigenschaft gilt für die analogen Ausgänge des NI ELVIS II+?

View this question

Was besagt die Stromteilerregel?

View this question

Es findet eine Dreieck-Stern-Transformation statt. Es gilt: und . Was gilt für ?

Dreieck-Stern Transformation

View this question

Es findet eine Dreieck-Stern-Transformation statt. Es gilt: und . Was gilt für ?

Stern-Dreieck Transformation

0%
0%
0%
0%
View this question

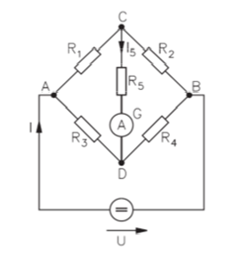
Welche Beziehung gilt für die Wiederstände R1 bis R4 

im Falle einer abgeglichenen

Wheatstone-Messbrücke?

Wheatstone Messbrücke

View this question

Der Sternwiderstand bei einer Dreieck-Stern

Transformation ergibt zu…?

0%
0%
0%
View this question

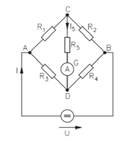
Betrachtet werden soll die gezeigte Wheatstone-Messbrücke.

Es gilt

, sowie und . Welcher Strom fließt durch ?

Wheatstone-Messbrücke

View this question

Was besagt die Kirchhoff’sche Maschenregel?

View this question

Want instant access to all verified answers on moodle.rwth-aachen.de?

Get Unlimited Answers To Exam Questions - Install Crowdly Extension Now!

Browser

Add to Chrome