logo

Crowdly

Browser

Add to Chrome

Elektrotechnisches Praktikum 1 (PR) [25ss-61.30003]

Looking for Elektrotechnisches Praktikum 1 (PR) [25ss-61.30003] test answers and solutions? Browse our comprehensive collection of verified answers for Elektrotechnisches Praktikum 1 (PR) [25ss-61.30003] at moodle.rwth-aachen.de.

Get instant access to accurate answers and detailed explanations for your course questions. Our community-driven platform helps students succeed!

Was wird als Rekombination bezeichnet?

View this question

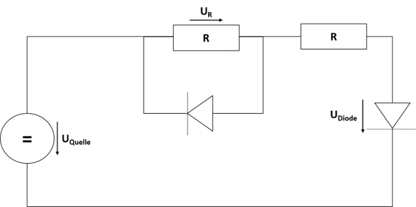
Welchen

Wert hat U

R

?  (Alle Dioden

sind ideal; U

S = 0,6 V; R = 1 kΩ; UQuelle = 12 V)

v5_rechnen_5

0%
0%
0%
View this question

Wie

groß ist R

1

bei abgeglichener Schaltung, wenn bei einer unbekannten

Spannung U gilt: R

2 = 20 kΩ, R3 = 30 kΩ und R4

= 10 kΩ?

MC-V4.4

0%
0%
0%
View this question

Es findet

eine Stern-Dreiecks-Transformation statt. Was gilt für R

12?

MC-V11

View this question

Es

findet eine Dreiecks-Stern Transformation statt. Was gilt für R

30?

MC-V12

View this question

Was

gilt für U?

MC-V4.10

View this question

Kreuzen

Sie die Formel für den Stromteiler an.

MC-V4.14

View this question

Wie

groß ist der Messbereich der analogen Eingänge des NI ELVIS II+?

View this question

Welche

der folgenden Gleichungen ist korrekt?

MC-V4.7

View this question

Betrachtet

wird das dargestellte Netzwerk. Wie groß ist die Ausgangsspannung U

a?

MC-V4.1

View this question

Want instant access to all verified answers on moodle.rwth-aachen.de?

Get Unlimited Answers To Exam Questions - Install Crowdly Extension Now!

Browser

Add to Chrome