logo

Crowdly

Browser

Add to Chrome

Základy elektrotechnického inžinierstva

Looking for Základy elektrotechnického inžinierstva test answers and solutions? Browse our comprehensive collection of verified answers for Základy elektrotechnického inžinierstva at moodle.tuke.sk.

Get instant access to accurate answers and detailed explanations for your course questions. Our community-driven platform helps students succeed!

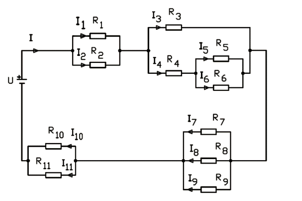
Vypočítajte celkový odpor Rc [], napätia U1, U6, U9, U11 [V] a prúdy I až I11 [A] (vyznačené v schéme) ak je dané:

R1 = 71

R2 = 186

R3 = 18

R4 = 30

R5 = 58

R6 = 2

R7 = 21

R8 = 15

R9 = 27

R10 = 147

R11 = 28

U = 41 V

POZOR! Pri zaškrtnutí nesprávnej odpovede budete penalizovaný !

0%
100%
0%
0%
100%
0%
100%
0%
100%
0%
0%
100%
100%
100%
0%
100%
100%
0%
0%
0%
0%
0%
0%
0%
0%
0%
100%
0%
0%
0%
100%
0%
0%
View this question

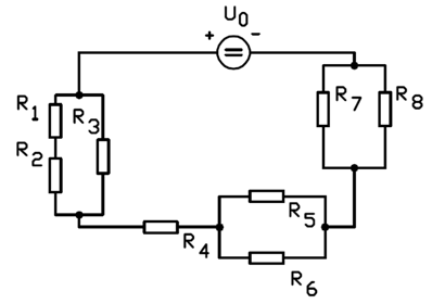
Vypočítajte

I7, Rie a I0e pomocou Nortonovej vety.

R1 = 20

R2 = 100

R3 = 80

R4 = 27

R5 = 46

R6 = 25

R7 = 39

R8 = 63

U0= 27V

POZOR! Pri zaškrtnutí nesprávnej odpovede budete penalizovaný !

100%
0%
0%
100%
0%
0%
100%
0%
0%
View this question

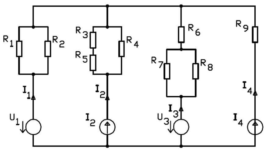
Riešte príklad metódou superpozície a zaškrtnite správne výsledky ak:

U1 = 44 V

I2= 6 A

U3 = 9 V  

I4= 19 A

R1 = 8

R2 = 13

R3 = 13

R4 = 4

R5 = 4

R6 = 12

R7 = 11

R8 = 13

R9 = 32

Zaškrtnite 1 správnu odpoveď pre: I1, I2, I3 a I4  (20% z otázky).

Zaškrtnite 16 správnych odpovedí pre čiastkové prúdy I'1, I'2, I'3, I'4  ; I''1, I''2, I''3, I''4; I'''1, I'''2, I'''3, I'''4 a I''''1, I''''2, I''''3, I''''4  (80% z otázky).

Pre dosiahnutie čo najväčšej presnosti priebežné výsledky nezaokrúhľujte.

Konečné výsledky (čiastkové prúdy a výsledné prúdy) zaokrúhľujte na 3 desatinné miesta.

POZOR! Pri zaškrtnutí nesprávnej odpovede budete penalizovaný !

0%
0%
0%
0%
0%
0%
0%
0%
0%
0%
0%
0%
0%
0%
0%
0%
0%
0%
0%
0%
0%
0%
0%
0%
0%
0%
0%
0%
0%
0%
0%
0%
0%
0%
0%
View this question

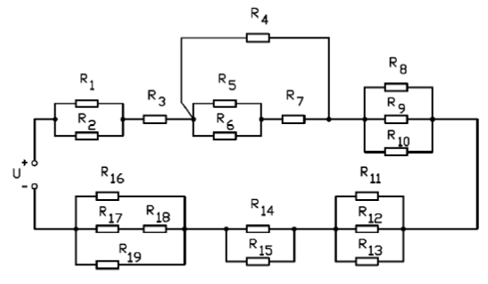
Vypočítajte celkový odpor RC, R4567, R16171819, R111213, R8910 v [].

R1 = 49

R2 = 33

R3 = 28,8

R4 = 510

R5 = 173

R6 = 73

R7 = 192

R8 = 64

R9 = 182

R10 = 17

R11 = 22

R12 = 131

R13 = 195

R14 = 18

R15 = 73

R16 = 3

R17 = 40

R18 = 7

R19 = 524

POZOR! Pri zaškrtnutí nesprávnej odpovede budete penalizovaný !

50%
50%
50%
0%
50%
50%
0%
0%
0%
0%
50%
0%
50%
50%
0%
100%
View this question

Vypočítajte celkový odpor Rc v [k].

Ak,

R1 = 30

R2 = 117

R3 = 17

R4 = 18

R5 = 39

R6 = 11

R7 = 120

R8 = 43

View this question
Prvý riadok určitého determinantu má čísla 10 a 6. Druhý riadok má čísla 3 a 5. Hodnota tohto determinantu je:
0%
0%
0%
0%
View this question
Prvý riadok určitého determinantu má čísla 3 a 5. Druhý riadok má čísla 7 a 2. Hodnota tohto determinantu je:
0%
0%
0%
0%
View this question

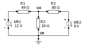
Nájdite napätie uzla UA .

0%
0%
0%
0%
View this question

Pomocou metódy sieťového prúdu, nájdite na nižšie uvedenom obrázku prúd vetvy IR1 .

0%
0%
0%
0%
View this question

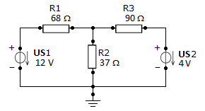
Aký prúd preteká cez R2 ?

0%
0%
0%
0%
View this question

Want instant access to all verified answers on moodle.tuke.sk?

Get Unlimited Answers To Exam Questions - Install Crowdly Extension Now!

Browser

Add to Chrome