logo

Crowdly

Browser

Add to Chrome

Základy elektrotechnického inžinierstva

Looking for Základy elektrotechnického inžinierstva test answers and solutions? Browse our comprehensive collection of verified answers for Základy elektrotechnického inžinierstva at moodle.tuke.sk.

Get instant access to accurate answers and detailed explanations for your course questions. Our community-driven platform helps students succeed!

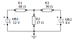
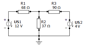
Aký prúd preteká cez R2 ?

0%
0%
0%
0%
View this question
Priradením smeru vetvových prúdov
0%
0%
0%
0%
View this question

Aký prúd preteká cez R2 ?

0%
0%
0%
0%
View this question
Nájdi I2 .

4I

1 + 4I2 = 2

6I

1 + 7I2 = 4
0%
0%
0%
0%
View this question

Nájdite napätie uzla UA .

0%
0%
0%
0%
View this question

Pomocou metódy sieťového prúdu, nájdite na nižšie uvedenom obrázku prúd vetvy IR1 .

0%
0%
0%
0%
View this question

Nájdite prúd vetvy IR2 .

0%
0%
0%
0%
View this question
Nájdi I1 .

4I

1 + 4I2 = 2

6I

1 + 7I2 = 4
0%
0%
0%
0%
View this question

Aký je úbytok napätia na R3 ?

0%
0%
0%
0%
View this question

Aký je úbytok napätia na R1 ?

0%
0%
0%
0%
View this question

Want instant access to all verified answers on moodle.tuke.sk?

Get Unlimited Answers To Exam Questions - Install Crowdly Extension Now!

Browser

Add to Chrome