logo

Crowdly

Browser

Add to Chrome

Electro y Electrónica IG (G2)

Looking for Electro y Electrónica IG (G2) test answers and solutions? Browse our comprehensive collection of verified answers for Electro y Electrónica IG (G2) at moodle.upm.es.

Get instant access to accurate answers and detailed explanations for your course questions. Our community-driven platform helps students succeed!

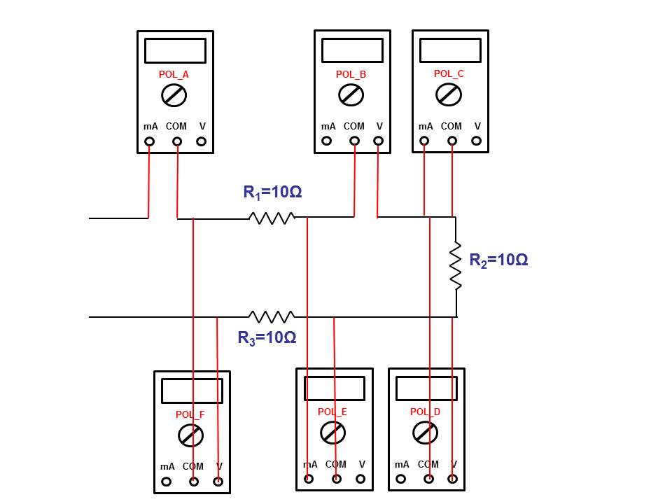
Indicar el polímetro que está conectado correctamente para medir la caída de tensión que se produce en la resistencia R2, suponiendo la no existencia del resto de polímetros y la continuidad de los conductores en los sitios en donde éstos están conectados.

0%
0%
0%
0%
0%
0%
View this question

Un interruptor diferencial detecta:

0%
0%
0%
0%
View this question

El conductor de protección va unido por un lado a las masas de los receptores y por el otro a la tierra de la instalación.

0%
0%
View this question

En la tabla de Boucherot de la imagen, la potencia aparente total será

0%
0%
0%
0%
View this question

Se puede calcular la potencia reactiva de un receptor trifásico equilibrado con la ecuación 

0%
0%
0%
0%
View this question

Con U=400 V, la medida del vatímetro W1 de la imagen es

0%
0%
0%
0%
View this question

Dado un conjunto de receptores trifásicos equilibrados, la IT se puede calcular como

0%
0%
0%
View this question

El esquema de la figura representa una instalación donde el motor se puede arrancar y parar desde

0%
100%
0%
0%
View this question

En una red con tensión de línea de 230V, la conexión de un motor cuyas bobinas tienen que trabajar a 230V debe ser:

0%
0%
0%
0%
View this question

Cuando se cierra el circuito de mando de un motor trifásico

0%
0%
0%
100%
View this question

Want instant access to all verified answers on moodle.upm.es?

Get Unlimited Answers To Exam Questions - Install Crowdly Extension Now!

Browser

Add to Chrome