logo

Crowdly

Browser

Add to Chrome

Electro y Electrónica IG (G2)

Looking for Electro y Electrónica IG (G2) test answers and solutions? Browse our comprehensive collection of verified answers for Electro y Electrónica IG (G2) at moodle.upm.es.

Get instant access to accurate answers and detailed explanations for your course questions. Our community-driven platform helps students succeed!

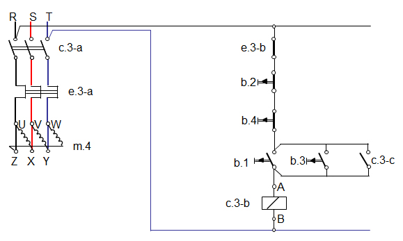
El esquema de la figura corresponde a 

0%
0%
0%
0%
View this question

Identificar los elementos de la figura.

View this question

La protección de un motor trifásico frente a cortocircuitos se realiza mediante:

0%
0%
0%
0%
View this question

Si un motor que debe funcionar en triángulo en una línea trifásica dada se conectase en estrella, sus bobinas quedarían sometidas a una tensión superior a la que soportan (superior a la de la conexión en triángulo) y por tanto se quemaría el motor.

0%
0%
View this question

El interruptor diferencial es un aparato de protección que se emplea para evitar los efectos adversos de las sobre-intensidades (ej. cortocircuitos ) en las instalaciones.

0%
100%
View this question

Teniendo en cuenta el diagrama de la figura, el motor está: 

0%
0%
0%
0%
View this question

Teniendo en cuenta la posición representada por los elementos del esquema 

0%
100%
0%
0%
View this question

La representación vectorial de la imagen corresponde a:

0%
0%
0%
0%
View this question

En una red trifásica con receptor desequilibrado conectado en estrella, el hilo neutro asegura que el sistema de tensiones simples sea equilibrado.

0%
0%
View this question

Se dispone de una línea trifásica, cuyas tensiones de línea son 400 V. Calcular la intensidad (en Amperios) que recorrerá el hilo 1 (L1) al conectar en triángulo tres bobinas iguales, si cada una está atravesada por una intensidad simple (I') de 2√3 A. Indicar sólo el resultado numérico, sin unidades.

View this question

Want instant access to all verified answers on moodle.upm.es?

Get Unlimited Answers To Exam Questions - Install Crowdly Extension Now!

Browser

Add to Chrome