logo

Crowdly

Browser

Add to Chrome

Signalai ir grandinės 2 (ELF)

Looking for Signalai ir grandinės 2 (ELF) test answers and solutions? Browse our comprehensive collection of verified answers for Signalai ir grandinės 2 (ELF) at moodle.vilniustech.lt.

Get instant access to accurate answers and detailed explanations for your course questions. Our community-driven platform helps students succeed!

Kuriame paveiksle pateikiamas pertemptas rėžimas?              

0%
100%
0%
0%
View this question

Žemiau duotas įtaisas, kokią matematinę funkciją jis atlieka?

0%
0%
100%
0%
View this question

Kaip randamas dinaminis diapazonas?

0%
0%
0%
100%
View this question

Ar teisingai pateikta BE stiprintuvo pakopos schema?

 

0%
100%
View this question

Ar žemiau pateikta formulė yra tiksli, skaičiavimo atžvilgiu?

50%
50%
View this question

Kuri iš pateiktų schemų yra paprastojo amplitudės detektoriaus schema?

100%
0%
0%
0%
View this question

Ar tiesa, kad taikant dažninį metodą matematinės formulės periodiniam ir neperiodiniam signalams yra skirtingos?

100%
0%
View this question

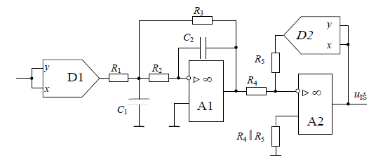
Ar tiesa, kad žemiau pateikta schema atitinka kvadratinės šaknies traukimo schemą?

100%
0%
View this question

Ar tiesa, kad generatoriuose su teigiamuoju grįžtamuoju ryšiu galime išskirti dvi pagrindines grandines: netiesinį keturpolį – stiprintuvą ir tiesinį grįžtamojo ryšio keturpolį?

100%
0%
View this question

Ar teisybė, kad impulsinė grandinės funkcija yra kompleksinės perdavimo funkcijos atvirkštinė Furje transformacija?

100%
0%
View this question

Want instant access to all verified answers on moodle.vilniustech.lt?

Get Unlimited Answers To Exam Questions - Install Crowdly Extension Now!

Browser

Add to Chrome