logo

Crowdly

Browser

Add to Chrome

Signalai ir grandinės 2 (ELF)

Looking for Signalai ir grandinės 2 (ELF) test answers and solutions? Browse our comprehensive collection of verified answers for Signalai ir grandinės 2 (ELF) at moodle.vilniustech.lt.

Get instant access to accurate answers and detailed explanations for your course questions. Our community-driven platform helps students succeed!

Kokia bus matematinė išraiška tiesioginės Furje transformacijos atveju, kai vienetinis įtampos šuolis 1(t) veikia grandinės įėjime?

0%
0%
0%
100%
View this question

Ar teisingas teiginys, kad yra įtaisai, kurie galėtų padidinti signalo energiją, patys nesunaudodami energijos?

0%
100%
View this question

Kada dažniausiai yra naudojami lempiniai galios stiprintuvai?

0%
0%
100%
0%
View this question

Ar tiesa, kad stiprintuvai gali būti tik siaurajuosčiai?

0%
100%
View this question

Ar tiesa, kad stiprintuvai gali būti tik daugiapakopiai?

0%
100%
View this question

Ar tiesa, kad galios stiprintuvai skiriasi nuo įprastų naudojamais aktyviaisiais stiprinimo elementais ir jų darbo režimais.

100%
0%
View this question

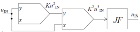
Kuri iš pateiktų schemų yra dažnio trigubintuvo schema?

0%
0%
0%
100%
View this question

Ar tiesa, kad tiesinio stiprintuvo naudingumo koeficientas yra labai didelis –viršija 0,5, esant maksimaliai stiprinamo signalo amplitudei, ir greitai mažėja, mažėjant jo amplitudei?

100%
0%
View this question

Ar tiesa, kad galios stiprintuvų vienas iš svarbiausių parametrų yra naudingumo koeficientas? 

100%
0%
View this question

Kokią formulę naudojant yra apskaičiuojamas amplitudės iškraipymų koeficientas?

0%
0%
0%
100%
View this question

Want instant access to all verified answers on moodle.vilniustech.lt?

Get Unlimited Answers To Exam Questions - Install Crowdly Extension Now!

Browser

Add to Chrome