logo

Crowdly

Browser

Add to Chrome

Основи електроніки

Looking for Основи електроніки test answers and solutions? Browse our comprehensive collection of verified answers for Основи електроніки at moodle.vnu.edu.ua.

Get instant access to accurate answers and detailed explanations for your course questions. Our community-driven platform helps students succeed!

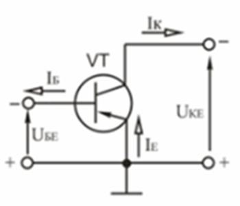
Що є носіями струму у транзисторі, схематично зображеному на рисунку

1) електрони; 2) дірки; 3) електрони і дірки.

View this question

Транзистор якого типу зображений на рисунку?

1)      p-n-p

2)

n-p-n 

View this question

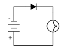
У електричне коло включили діод та електричну лампу як показано

на рисунку. Чи буде світитися лампа розжарення при такому включенні?

1)     

буде; 2) не

буде; 3) важко визначити; 4) лампа зразу згорить.

View this question

На рисунку зображено…

1)     

діод; 2) біполярний транзистор; 3) інтегральна

мікросхема; 4) польовий транзистор

View this question

Для випрямлення змінного струму використовують пристрій, що зображений на

рисунку …

View this question

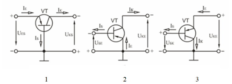
На якому

з рисунків зображено вмикання біполярного транзистора із спільним колектором?

View this question

Відповідно до схеми підключення

транзистора, зображеної на рисунку, підсилення по струму…

1)     

мале;    2) велике; 3) по такій схемі підсилення

струму неможливе.

View this question

Якому

режиму роботи відповідає дана схема включення транзистора?

1)     

активний режим;  2) інверсний режим; 3) режим насичення; 4)

режим відсікання.

View this question

Транзистор якого типу зображений на рисунку?

1)      p-n-p

2)

n-p-n 

View this question

У колі змінного струму частотою 50 Гц, підключений конденсатор

ємністю 5 мкФ. Знайдіть добротність варикапа, якщо опір активних

втрат 1 кОм.

Відповідь подайте з точністю до сотих.

View this question

Want instant access to all verified answers on moodle.vnu.edu.ua?

Get Unlimited Answers To Exam Questions - Install Crowdly Extension Now!

Browser

Add to Chrome