logo

Crowdly

Browser

Add to Chrome

Основи електроніки

Looking for Основи електроніки test answers and solutions? Browse our comprehensive collection of verified answers for Основи електроніки at moodle.vnu.edu.ua.

Get instant access to accurate answers and detailed explanations for your course questions. Our community-driven platform helps students succeed!

Транзистор якого типу зображений на рисунку?

1)      p-n-p

2)

n-p-n 

View this question

Біполярний транзистор p-n-p

типу працює в

інверсному режимі. При цьому на колектор від джерела живлення подано :

1) «+»; 2) «-»; 3) не

має значення, яку полярність підключати

View this question

Інтегральна мікросхема містить

25 елементів. Вона належить…

1) першого ступеня інтеграції;

2) другого ступеня інтеграції;

3) третього ступеня інтеграції

View this question

Електрод, через який в канал польового

транзистора входять основні носії заряду, називають

1)     

база; 2) емітер; 3) стік; 4)

витік

View this question

Внутрішня область монокристала транзистора, яка розташована між p-n

 переходами

називається…

1) колектором; 2) емітером; 3) базою.

View this question

Якому

режиму роботи відповідає дана схема включення транзистора?

1)     

активний режим;  2) інверсний режим; 3) режим насичення; 4)

режим відсікання.

View this question

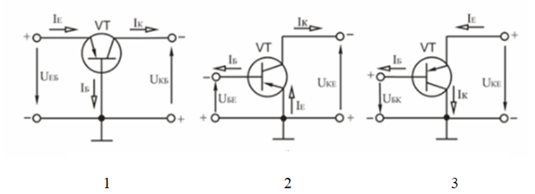
На якому

з рисунків зображено вмикання біполярного транзистора із спільним колектором?

View this question

Скільки p-n переходів має біполярний транзистор?

1) один; 2) два; 3) три

View this question

Явище фотоефекту лежить в основі роботи…

1)     

польових транзисторів

2)     

 біполярних

транзисторів

3)     

Випрямляючих діодів

4) світлодіодів

View this question

Колір світла, яке випромінює світло діод

залежить від …

1)     

швидкості рекомбінації електронно-діркових пар;

2) ширини забороненої зони

напівпровідника, на основі якого працює світлодіод;

3) від прикладеної до світлодіода

напруги;

4) від потужності, світлодіода

 

View this question

Want instant access to all verified answers on moodle.vnu.edu.ua?

Get Unlimited Answers To Exam Questions - Install Crowdly Extension Now!

Browser

Add to Chrome