logo

Crowdly

Browser

Add to Chrome

Основи електроніки

Looking for Основи електроніки test answers and solutions? Browse our comprehensive collection of verified answers for Основи електроніки at moodle.vnu.edu.ua.

Get instant access to accurate answers and detailed explanations for your course questions. Our community-driven platform helps students succeed!

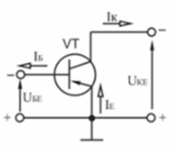
Що є носіями струму у транзисторі, схематично зображеному на рисунку

1) електрони; 2) дірки; 3) електрони і дірки.

View this question

Колір світла, яке випромінює світло діод

залежить від …

1)     

швидкості рекомбінації електронно-діркових пар;

2) ширини забороненої зони

напівпровідника, на основі якого працює світлодіод;

3) від прикладеної до світлодіода

напруги;

4) від потужності, світлодіода

 

View this question

Для випрямлення змінного струму використовують пристрій, що зображений на

рисунку …

View this question

Відповідно до схеми підключення

транзистора, зображеної на рисунку, підсилення по струму…

1)     

мале;    2) велике; 3) по такій схемі підсилення

струму неможливе.

View this question

На рисунку зображено…

1)     

діод; 2) біполярний транзистор; 3) інтегральна

мікросхема; 4) польовий транзистор

View this question

Скільки p-n переходів є у біполярному транзисторі?

1) 2; 2) 3; 3) 1; 4)

таких переходів немає

View this question

Електроди польового транзистора називають…

1)     

база,

емітер, колектор;   

2)     

база,

витік, затвор;             

3)      затвор, витік, сток;

4)     

сток,

база, емітер

View this question

У електричне коло включили діод та електричну лампу як показано

на рисунку. Чи буде світитися лампа розжарення при такому включенні?

1)     

буде; 2) не

буде; 3) важко визначити; 4) лампа зразу згорить.

View this question

Який заряд має

„електрон”?

1

) негативний;

2) позитивний; 3

)

немає заряду;

4

)

правильна відповідь відсутня.

View this question

Які заряджені

частинки рухаються через p-n-перехід:

1) позитивні

іони; 2) негативні іони; 3) електрони; 4) дірки

View this question

Want instant access to all verified answers on moodle.vnu.edu.ua?

Get Unlimited Answers To Exam Questions - Install Crowdly Extension Now!

Browser

Add to Chrome