logo

Crowdly

Browser

Add to Chrome

ECNG1012 : Engineering Science and Technology (Semester I- 2024/2025)

Looking for ECNG1012 : Engineering Science and Technology (Semester I- 2024/2025) test answers and solutions? Browse our comprehensive collection of verified answers for ECNG1012 : Engineering Science and Technology (Semester I- 2024/2025) at myelearning.sta.uwi.edu.

Get instant access to accurate answers and detailed explanations for your course questions. Our community-driven platform helps students succeed!

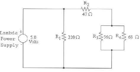
What is the value of current flowing through each resistor in the figure below ?

View this question
The yellow wire is electrically connected to the green wire through the breadboard.

 

100%
0%
View this question
Which of the following is not a terminal of the BJT ?
View this question
Which of the following are true for the H-bias method of a transistor.

(1) The base voltage is set through a voltage divider.

(2) The emitter is tied to ground through a resistor.

(3) The Q-Points are dependent on the DC Gain.

(4) The Q-Points are independent of the DC Gain.

0%
0%
0%
0%
View this question
In the active region Ic is dependent on Vce for a particular Ib.
0%
0%
View this question
There are how many major regions of operation for a BJT ?
View this question
In Multisim, the Common Emitter Output Characteristics of a amplifier circuit can be obtained using which of the instruments found on the Instrument toolbar?
View this question
For the figure below, calculate the voltage gain of the circuit, using the following assumptions:

1. Maximum symmetrical swing.

2. Transistor operating in the active region.

Figure 4_4

0%
0%
0%
0%
View this question
For the figure below, calculate the voltage gain of the circuit, using the following assumptions:

1. Maximum symmetrical swing.

2. Transistor operating in the active region.

View this question
The output characteristic curves of a BJT are very important because they define the region of operation of the BJT.
100%
0%
View this question

Want instant access to all verified answers on myelearning.sta.uwi.edu?

Get Unlimited Answers To Exam Questions - Install Crowdly Extension Now!

Browser

Add to Chrome