logo

Crowdly

Browser

Add to Chrome

ECNG1012 : Engineering Science and Technology (Semester I- 2024/2025)

Looking for ECNG1012 : Engineering Science and Technology (Semester I- 2024/2025) test answers and solutions? Browse our comprehensive collection of verified answers for ECNG1012 : Engineering Science and Technology (Semester I- 2024/2025) at myelearning.sta.uwi.edu.

Get instant access to accurate answers and detailed explanations for your course questions. Our community-driven platform helps students succeed!

Consider

a uniformly heated, isotropic & homogeneous copper rod of length 1 meter.  Assume it is heated from room temperature (25

oC) to 300oC.  Evaluate the magnitude of the thermal stress in MPa.  

State your answer to 2 decimal places.

View this question

A certain element has an atomic radius of 0.132 nm, an FCC crystal

structure, and an atomic weight of 64.1 g/mol. Compute 

its theoretical density in g/cm3.

Please give your answer to 2 decimal places.

View this question
For the circuit below, in proving that K.C.L is verified, the values for I1, I2, I3 are:

Figure 4_7

0%
0%
0%
0%
View this question
The Superposition Theorem states that in a linear resistive circuit containing several sources, the current or voltage anywhere in the circuit can be obtained by using the source closest to ground as its reference.
0%
100%
View this question
The proportionality theorem states that the response in a circuit is proportional to the source acting in the circuit. The proportionality constant K relates the input voltage to the output voltage as Vout= kVin.
0%
0%
View this question

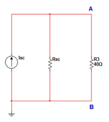
cir

The circuit above has a load resistor R3 between nodes A and B. This circuit can then be reduced to the Norton's equivalent circuit shown in the figure below. Determine the values of Isc and Rsc in the Norton's equivalent circuit.

nort

What are the values of Isc and Rsc?

0%
0%
0%
View this question
Using the superposition theorem, calculate the value of Vout in the figure below.

Figure 4_8
0%
0%
0%
0%
View this question
Fill in the blank:

Kirchhoff's Voltage Law states that the algebraic sum of all voltages in a closed path must equal ____.
View this question
For the circuit below, in proving that K.V.L is verified, the values for V1, V2 and V3 are :

Figure 4_4

View this question
For the circuit below, the proportionality constant, k,which gives the relationship between the input and output voltages is:

Figure 4_6

0%
0%
0%
0%
View this question

Want instant access to all verified answers on myelearning.sta.uwi.edu?

Get Unlimited Answers To Exam Questions - Install Crowdly Extension Now!

Browser

Add to Chrome