logo

Crowdly

Browser

Add to Chrome

ECNG1012 : Engineering Science and Technology (Semester I- 2024/2025)

Looking for ECNG1012 : Engineering Science and Technology (Semester I- 2024/2025) test answers and solutions? Browse our comprehensive collection of verified answers for ECNG1012 : Engineering Science and Technology (Semester I- 2024/2025) at myelearning.sta.uwi.edu.

Get instant access to accurate answers and detailed explanations for your course questions. Our community-driven platform helps students succeed!

For the circuit below, in proving that K.V.L is verified, the values for V1, V2 and V3 are :

Figure 4_4

View this question
In Multisim, which instrument found in the Instrument Toolbar can be used to measure DC current values?
0%
0%
0%
0%
View this question

cir

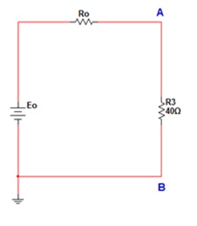
The circuit above has a load resistor R3 between nodes A and B. This circuit can then be reduced to the Thevenin equivalent circuit shown in the figure below. Determine the values of Eo and Ro in the Thevenin equivalent circuit.

thev

What are the values of Eo and Ro?

View this question
Fill in the blank:

Kirchhoff's Current Law states that the algebraic sum of all currents entering and exiting a node must equal ___.
0%
0%
0%
0%
View this question
Which control or switch on the 2160A oscilloscope is used to set whether the Channel 2 input signal is alternately coupled to the oscilloscope, directly coupled to the oscilloscope or grounded? 2160A oscilloscope 
0%
0%
0%
0%
View this question

Before taking a measurements of a composite waveform  on a single channel of the oscilloscope, the user must

  1. Ensure the VAR controls are in their CAL'D positions.

  2. Ensure the VAR controls are turned anticlockwise.

  3. Set the TRIGGER SOURCE switch to the channel where the signal is being inputted.
  4. Set the TRIGGER COUPLING switch to the channel where the signal is being inputted.

  5. Set the TRIGGER COUPLING switch to AUTO.

  6. Set the INPUT COUPLING switches to AC and centre the dot on the screen using the HORIZONTAL and VERTICAL POSITION controls.

  7. Set the INPUT COUPLING switches to GND and centre the line on the screen using the HORIZONTAL and VERTICAL POSITION controls.
  8. Set the INPUT COUPLING switches to DC to show only the dc part of the waveform. 

  9. Set the INPUT COUPLING switches to DC to show the entire waveform.

  10. Set the TIME/DIV settings to a scale suitable for measurement.

  11. Set the TRIGGER SOURCE and VERT MODE switches to X-Y.

  12. Set the VOLT/DIV settings to a scale suitable for measurement.

  13. Adjust the TRIGGER LEVEL control to chose the voltage point at which the wave begins to draw.
  14. Adjust the HORIZONTAL POSITION control to chose the voltage point at which the wave begins to draw.

Note: Composite waveform = ac waveform + dc waveform (i.e. ac "riding" on a dc)

0%
0%
0%
0%
0%
0%
0%
0%
View this question
The oscilloscope settings for waveform shown below are as follows:

  • the CH1 VOLTS/DIV setting is 2 VOLTS/DIV,
  • the CH2 VOLTS/DIV setting is 0.5 VOLTS/DIV and
  • the TIME/DIV setting is 0.2 ms/DIV.

Note: each square on the oscilloscope grid / articulate has a height of 1 DIV and a width of 1 DIV.

Given that it is the Channel 1 waveform being displayed, what is the frequency of the waveform in kHz

Do not include the units i.e. kHz in your answer as it will be marked as incorrect by the software. Enter the value only.

sine wave

View this question
What is the procedure for connecting a digital multimeter to a circuit for current measurement (i.e. to function as an ammeter)? i. Connect red and black leads to the terminals for voltage measurement on the digital multimeter.ii. Power on the digital multimeter.iii. Connect the multimeter in parallel.iv. Break the circuit at the point where you wish to take the current measurement.v. Configure the multimeter for DC or AC voltage measurement by pressing the appropriate buttons on the multimeter.vi. Connect the multimeter in series.vii. Ensure the circuit is de-energized.viii. Configure the multimeter for DC or AC current measurement by pressing the appropriate buttons on the multimeter.ix. Ensure the circuit is energized.x. Connect red and black leads to the terminals for current measurement on the digital multimeter.

function generator
View this question
Which knob on the 2160A oscilloscope can be used to adjust the main time base?  

2160A oscilloscope

0%
0%
0%
0%
View this question
What is the procedure for connecting a digital multimeter to a circuit for voltage measurement (i.e. to function as an voltmeter)?i. Connect red and black leads to the terminals for voltage measurement on the digital multimeter.ii. Power on the digital multimeter.iii. Connect the multimeter in parallel.iv. Break the circuit at the point where you wish to take the current measurement.v. Configure the multimeter for DC or AC voltage measurement by pressing the appropriate buttons on the multimeter.vi. Connect the multimeter in series.vii. Ensure the circuit is de-energized.viii. Configure the multimeter for DC or AC current measurement by pressing the appropriate buttons on the multimeter.ix. Ensure the circuit is energized.x. Connect red and black leads to the terminals for current measurement on the digital multimeter.

digital multimeter

View this question

Want instant access to all verified answers on myelearning.sta.uwi.edu?

Get Unlimited Answers To Exam Questions - Install Crowdly Extension Now!

Browser

Add to Chrome